Features
- Enhanced N-channel FET with no inherent diode to VCC
- 5Ω bidirectional switches connect inputs to outputs
- Zero propagation delay, zero added ground bounce
- Undershoot clamp diodes on all switch and control inputs
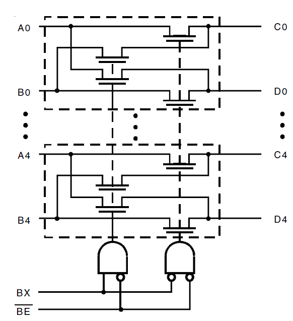
- Bus exchange allows nibble swap
- Available in a 24-pin QSOP package
Description
The QS3383 provides ten high-speed CMOS TTL-compatible bus switches. The low ON-resistance of the QS3383 allows inputs to be connected to outputs without adding propagation delay and without generating additional ground bounce noise. Bus exchange configuration allows byte swapping of buses in systems. It can also be used as a 5-wide 2-to-1 multiplexer and to create low-delay barrel shifters, etc. The QS3383 operates at -40 °C to +85 °C.
Parameters
| Attributes | Value |
|---|---|
| Function | Bus Switch/Exchange |
| Pkg. Code | PCG24 |
| Temp. Range (°C) | -40 to 85°C |
| Bus Width (bits) | 10 |
| Core Voltage (V) | 5 |
| On Resistance (Ω) | 5 |
| Speed Grade | Standard |
Package Options
| Pkg. Type | Pkg. Dimensions (mm) | Lead Count (#) | Pitch (mm) |
|---|---|---|---|
| QSOP | 8.7 x 3.8 x 1.47 | 24 | 0.64 |
Applications
- Hot-swapping, hot-docking
- Voltage translation (5V to 3.3V)
- Resource sharing
- Crossbar switching
Applied Filters:
Loading