Skip to main content

Features

  • Packaged in 20-pin QSOP/SSOP
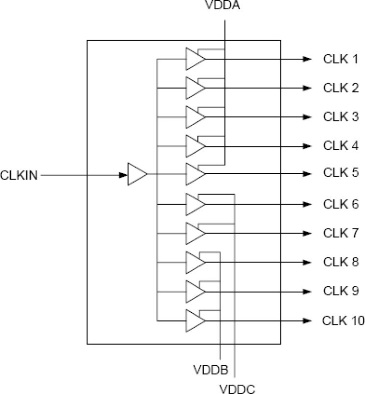
  • Split 1:10 fanout Buffer
  • Maximum skew between outputs of different packages 0.75 ns
  • Max propagation delay of 3.8 ns
  • Operating voltage of 1.5 V to 2.5 V on Bank A
  • Operating voltage of 1.5 V to 2.5 V on Banks B and C
  • Advanced, low power, CMOS process
  • Industrial temperature range -40° C to +85° C
  • 3.3 V tolerant input when VDDA=2.5 V
  • Pb (lead) free packaging

Description

The ICSLV810 is a low skew 1.5 V to 2.5 V, 1:10 fanout buffer. This device is specifically designed for data communications clock management. The large fanout from a single input line reduces loading on the input clock. The TTL level outputs reduce noise levels on the part. Typical applications are clock and signal distribution.

Applied Filters: