Features
- 2.5V to 5.5V input
- 1.5A, 0.18Ω integrated boost FET
- VON/VOFF supplies generated by charge pumps driven by the boost switch node
- LDO for VLOGIC channel
- 600/1200kHz selectable switching frequency
- Integrated gate pulse modulator
- Reset signal generated by supply monitor
- Integrated VCOM amplifier
- DCP
- I2C serial interface, address: 0101000, MSB left
- Wiper position stored in 8-bit nonvolatile memory and recalled on power-up
- Endurance, 1,000 data changes per bit
- UVLO, UVP, OVP, OCP and OTP protection
- Pb-free (RoHS compliant)
- 28 Ld 4x5 QFN
Description
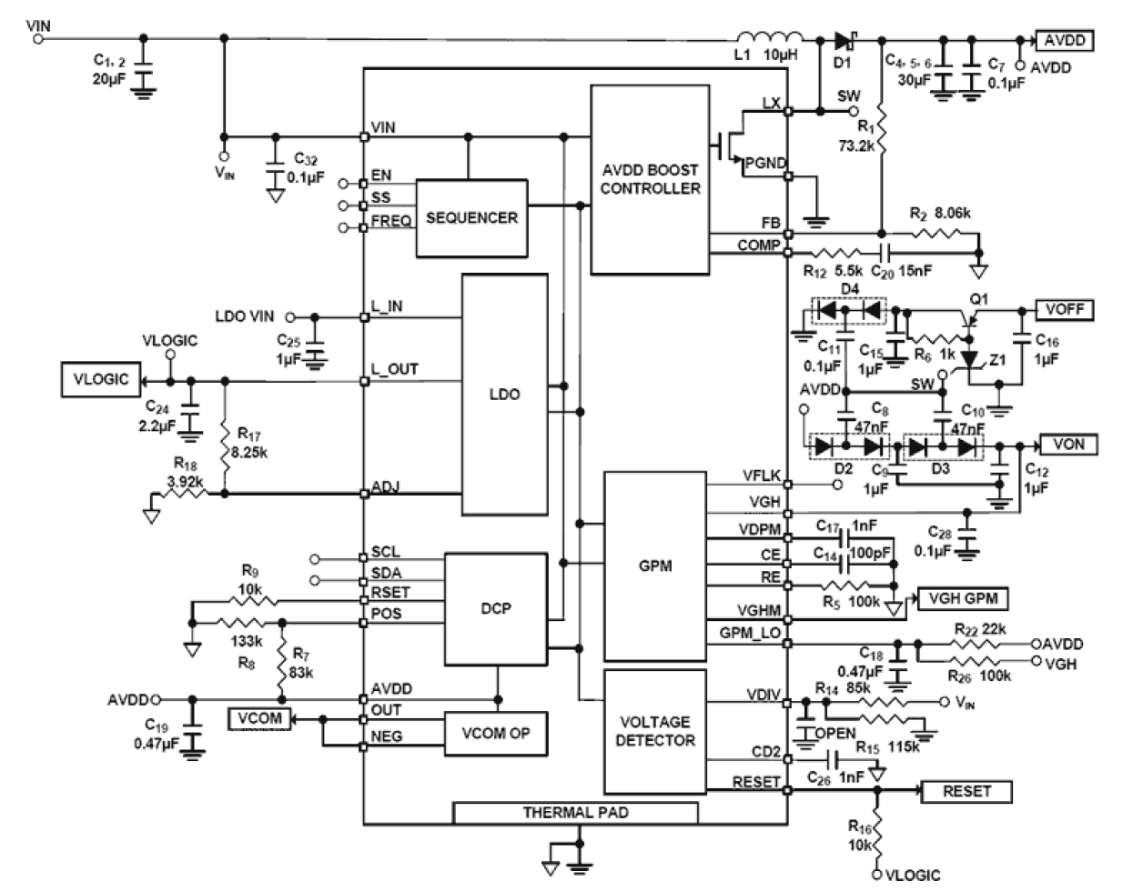
The ISL97649AR5566 is an Integrated Power Management IC (PMIC) for TFT-LCDs used in notebooks, tablet PCs and monitors. The device integrates a boost converter for generating AVDD, an LDO for VLOGIC. VON and VOFF are generated by a charge pump driven by the switch node of the boost. The ISL97649AR5566 also includes a VON slice circuit, reset function and a high performance VCOM amplifier with DCP (Digitally Controlled Potentiometer) that is used as a VCOM calibrator. The AVDD boost converter features a 1. 5A/0. 18Ω boost FET with 600/1200kHz switching frequency. The logic LDO includes a 350mA FET for driving the low voltage needed by external digital circuitry. The gate pulse modulator can control the gate voltage up to 30V, and both the rate and slew delay times are selectable. The supply monitor generates a reset signal when the system is powered down. It provides a programmable VCOM with I2C interface. One VCOM amplifier is also integrated in the chip. The output of the VCOM is powered up with the voltage at the last programmed 8-bit EEPROM setting.
Parameters
| Attributes | Value |
|---|---|
| Boost Current Limit (A) | 1.5 |
| Input Voltage Range (V) | 2.5 - 5.5 |
| Logic Voltage (Min) | 0.8 |
| On Voltage Range (V) | 7 - 33 |
| Off Voltage (Min) (V) | -10 |
| VBOOST (V) | 15 |
| VOFF/VN | -10 to 0 |
| Logic Voltage (Max) | V<sub>IN</sub> |
| VLOGIC | 0.8 to VIN |
| VCOM amplifiers (#) | 1 |
| Gamma (#) | 0 |
| Input Voltage (Min) (V) | 2.5 |
| Input Voltage (Max) (V) | 5.5 |
| On Voltage (Max) (V) | 33 - 33 |
| Advanced Features | UVLO, UVP, OVP, OCP, and OTP Protection |
Package Options
| Pkg. Type | Pkg. Dimensions (mm) | Lead Count (#) | Pitch (mm) |
|---|---|---|---|
| QFN | 5.0 x 4.0 x 0.90 | 28 | 0.5 |
Applied Filters: