| CAD Model: | View CAD Model |
| Pkg. Type: | QFN |
| Pkg. Code: | LZZ |
| Lead Count (#): | 32 |
| Pkg. Dimensions (mm): | 4.0 x 4.0 x 0.90 |
| Pitch (mm): | 0.4 |
| Moisture Sensitivity Level (MSL) | 3 |
| Pb (Lead) Free | Yes |
| ECCN (US) | EAR99 |
| HTS (US) | 8542.39.0090 |
| RoHS (ISL95833IRTZ-T) | Download |
| Lead Count (#) | 32 |
| Carrier Type | Reel |
| Moisture Sensitivity Level (MSL) | 3 |
| Pb (Lead) Free | Yes |
| Pb Free Category | Pb-Free 100% Matte Tin Plate w/Anneal-e3 |
| Temp. Range (°C) | -40 to +85°C |
| Country of Assembly | TAIWAN |
| Country of Wafer Fabrication | TAIWAN |
| Bias Voltage Range (V) | 4.75 - 5.25 |
| Droop | Yes |
| Input Voltage (Max) (V) | 5.25 |
| Input Voltage (Min) (V) | 4.75 |
| Integrated MOSFET Driver (s) | Yes |
| Length (mm) | 4 |
| MOQ | 6000 |
| Output Current (Max) [Rail 1] (A) | 60 |
| Output Voltage (Max) (V) | 1.52 |
| Output Voltage (Min) (V) | 0.25 |
| Outputs (Max) (#) | 2 |
| Parametric Applications | VR12/IMVP7 |
| Parametric Category | Multiphase DC/DC Switching Controllers |
| Phases (Max) | 2 |
| Pitch (mm) | 0.4 |
| Pkg. Dimensions (mm) | 4.0 x 4.0 x 0.90 |
| Pkg. Type | QFN |
| Qualification Level | Standard |
| Thickness (mm) | 0.9 |
| VID | Yes |
| Width (mm) | 4 |
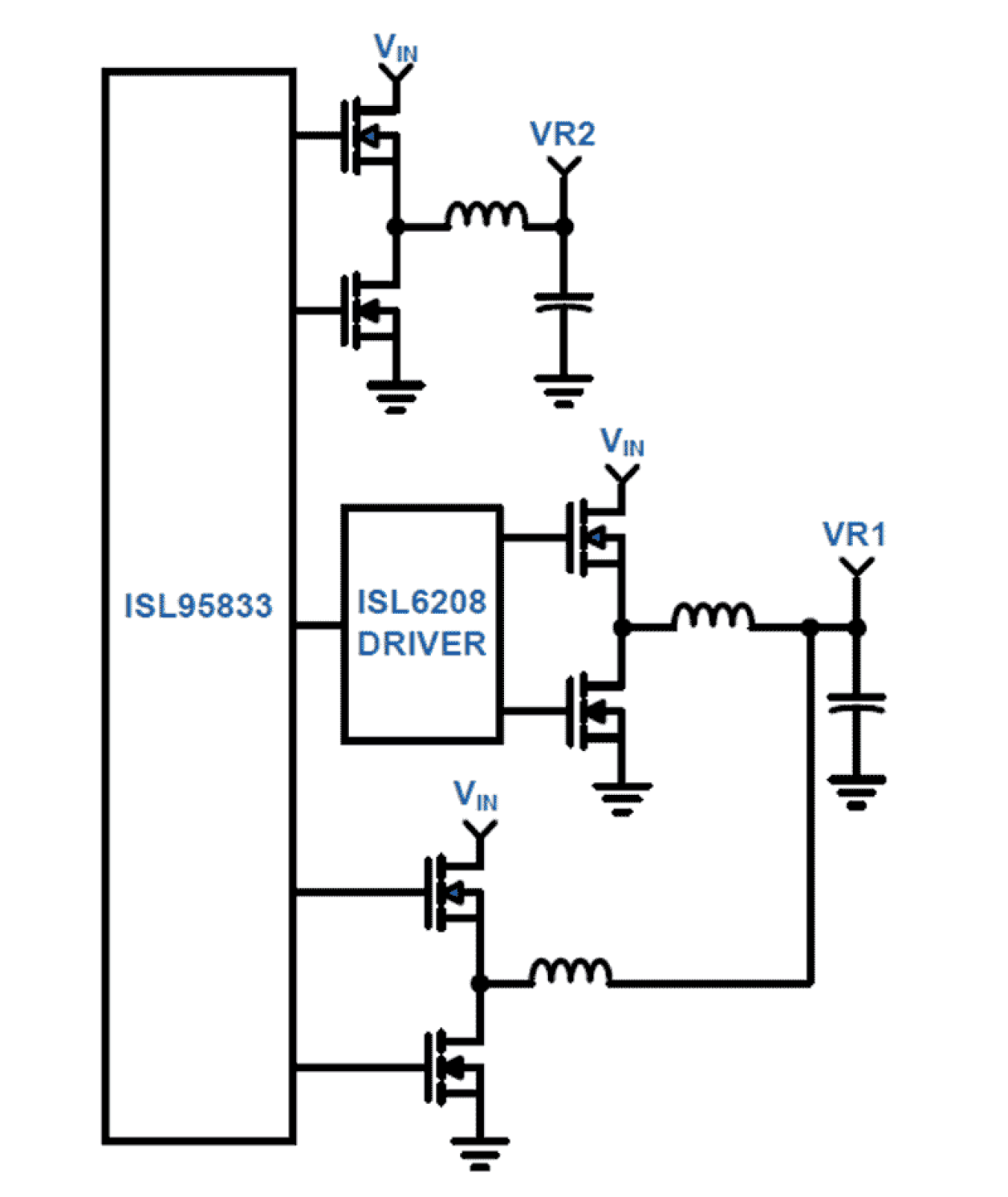
The ISL95833 Pulse Width Modulation (PWM) controller IC provides a complete solution for IMVP-7/VR12™ compliant microprocessor and graphic processor core power supplies. It provides the control and protection for two Voltage Regulators (VRs). The first VR, typically for VCORE, incorporates 1 integrated driver and can operate in 2- or 1-phase configurations. The second VR, typically for Graphics, is a single phase regulator incorporating an integrated driver. The two VRs share a serial control bus to communicate with the CPU and achieve lower cost and smaller board area compared with the two-chip approach. Both VRs utilize Intersil's Robust Ripple Regulator R3 Technology™. The R3 modulator has numerous advantages compared to traditional modulators, including faster transient response, variable switching frequency during load transients, and improved light load efficiency due to its ability to automatically change switching frequency. The ISL95833 has several other key features. Both outputs support either DCR current sensing with a single NTC thermistor for DCR temperature compensation, or more precise resistor current sensing if desired. Both outputs come with remote voltage sense, programmable VBOOT voltage, IMAX, and switching frequency, adjustable overcurrent protection and separate Power-Good signals.