Skip to main content
Renesas Electronics Corporation

Features

  • Serial Data Bus
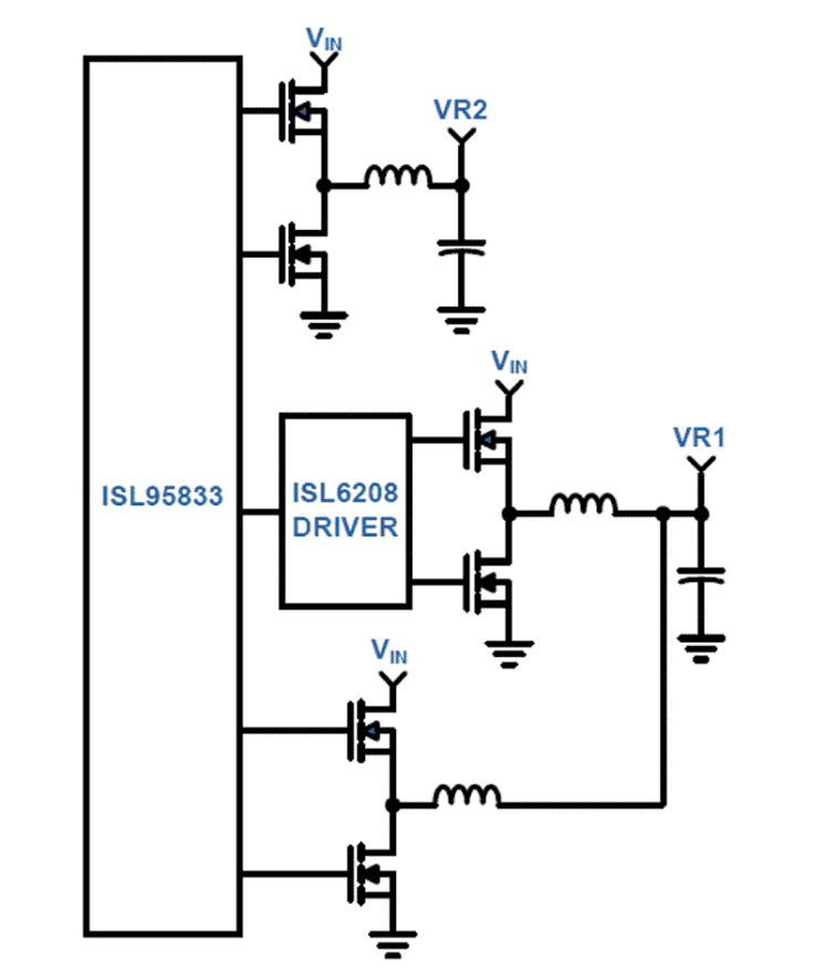
  • Dual Outputs:
  • Configurable 2- or 1-phase for the 1st Output using one Integrated Gate Driver
  • 1-phase for the 2nd Output using an Integrated Gate Driver
  • R3 Modulator
  • Excellent Transient Response
  • High Light Load Efficiency
  • 0.5% System Accuracy Over-Temperature
  • Supports Multiple Current Sensing Methods
  • Lossless Inductor DCR Current Sensing
  • Precision Resistor Current Sensing
  • Differential Remote Voltage Sensing
  • Programmable VBOOT Voltage at Start-up
  • Resistor Programmable IMAX, Switching Frequency for Both Outputs
  • Adaptive Body Diode Conduction Time Reduction

Description

The ISL95833 Pulse Width Modulation (PWM) controller IC provides a complete solution for IMVP-7/VR12™ compliant microprocessor and graphic processor core power supplies. It provides the control and protection for two Voltage Regulators (VRs). The first VR, typically for VCORE, incorporates 1 integrated driver and can operate in 2- or 1-phase configurations. The second VR, typically for Graphics, is a single phase regulator incorporating an integrated driver. The two VRs share a serial control bus to communicate with the CPU and achieve lower cost and smaller board area compared with the two-chip approach. Both VRs utilize Intersil's Robust Ripple Regulator R3 Technology™. The R3 modulator has numerous advantages compared to traditional modulators, including faster transient response, variable switching frequency during load transients, and improved light load efficiency due to its ability to automatically change switching frequency. The ISL95833 has several other key features. Both outputs support either DCR current sensing with a single NTC thermistor for DCR temperature compensation, or more precise resistor current sensing if desired. Both outputs come with remote voltage sense, programmable VBOOT voltage, IMAX, and switching frequency, adjustable overcurrent protection and separate Power-Good signals.

Applications

  • IMVP-7/VR12 Compliant Computers

Applied Filters: