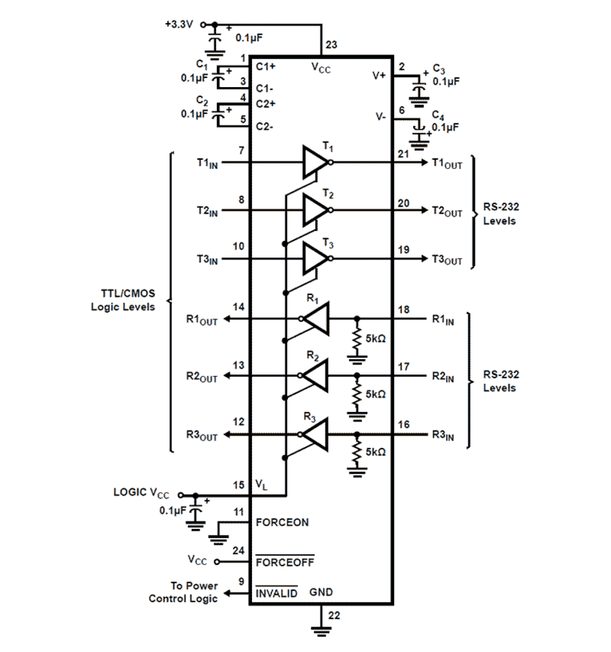
Features
- VL supply pin for compatibility with mixed voltage systems
- ESD protection for RS-232 I/O pins to ±15kV (IEC61000)
- Low power, pin compatible upgrade for MAX3387E
- Manual and enhanced automatic powerdown features
- Meets EIA/TIA-232 and V.28/V.24 specifications at 3V
- On-chip charge pumps require only four external 0.1µF capacitors
- Receivers stay active in powerdown
- Very low supply current: 300µA
- Assured minimum data rate: 250kbps
- Wide power supply range: Single +3V to +5.5V
- Low supply current in powerdown state: < 1µA
- Pb-Free (RoHS compliant)
Description
The ISL83387E is a 3. 0V to 5. 5V powered RS‑232 transceiver that meets ElA/TIA-232 and V. 28/V. 24 specifications, even at VCC = 3. 0V. Additionally, it provides ±15kV ESD protection (IEC61000-4-2 Air Gap and Human Body Model) on transmitter outputs and receiver inputs (RS‑232 pins). Targeted applications are industrial laptop computers, Palmtops, PDAs, and notebooks where the low operational power consumption and even lower standby power consumption is critical. Efficient on‑chip charge pumps coupled with manual and enhanced automatic powerdown functions reduce the standby supply current to a 1µA trickle. The TSSOP packaging and the use of small, low value capacitors ensure board space savings. Data rates greater than 250kbps are ensured at worst case load conditions. The ISL83387E features a VL pin that adjusts the logic pin output levels and input thresholds to values compatible with the VCC powering the external logic (for example, a UART). The ISL83387E includes an enhanced automatic power‑down function that powers down the on-chip power‑supply and driver circuits. Automatic powerdown occurs when all receiver and transmitter inputs detect no signal transitions for a period of 30 seconds. The ISL83387E powers back up automatically, when it senses a transition on any transmitter or receiver input. Application Note AN9863 summarizes the features of each device comprising the 3V RS-232 family.
Parameters
| Attributes | Value |
|---|---|
| Transmitters (#) | 3 |
| Receivers (#) | 3 |
| High ESD Protection | Yes |
| Data Rate (Mbps) | 0.5 |
| Supply Voltage Vcc Range | 3-5.5 |
| Manual Shutdown | Yes |
| Auto Shutdown | No |
| Rx Disable | No |
| Charge-pump Capacitance Value (µF) | 0.1 |
| IS Enabled (mA) | 0.3 |
| IS Disabled (μA) | 1 |
Package Options
| Pkg. Type | Pkg. Dimensions (mm) | Lead Count (#) | Pitch (mm) |
|---|---|---|---|
| TSSOP | 7.8 x 4.4 x 0.00 | 24 | 0.7 |
Applications
- Any System Requiring RS-232 Communication Ports Battery Powered, Hand-Held, and Portable Equipment Laptop Computers, Notebooks, Palmtops Digital Cameras PDA's and PDA Cradles Cellular/Mobile Phones
Applied Filters: