Features
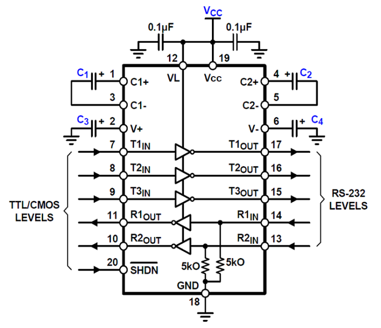
- VL pin for compatibility with mixed voltage systems
- ESD protection for RS-232 I/O pins to ±15kV (IEC61000)
- Low power, pin compatible upgrade for MAX3386E and SP3203E
- Single SHDN pin disables transmitters and receivers
- Meets EIA/TIA-232 and V.28/V.24 specifications at 3V
- On-chip charge pumps require only four external 0.1µF capacitors at VCC = 3.3V
- Receiver hysteresis for improved noise immunity
- Very low supply current: 300µA
- Ensured minimum data rate: 250kbps
- Wide power supply range: Single +3V to +5.5V
- Low supply current in powerdown state: <1µA
- Pb-free available (RoHS compliant)
Description
The ISL83386E contains 3. 0V to 5. 5V powered RS-232 transmitters/receivers that meet ElA/TIA-232 and V. 28/V. 24 specifications, even at VCC = 3. 0V. Targeted applications are PDAs, Palmtops, and cell phones in which the low operational power consumption, and even lower standby power consumption is critical. Efficient on-chip charge-pumps, coupled with a manual power-down function reduces the standby supply current to a 1µA trickle. Small footprint packaging and the use of small, low value capacitors ensures board space savings as well. Data rates greater than 250kbps are ensured at worst case load conditions. The ISL83386E features a VL pin that adjusts the logic pin (see “Pin Descriptions” on page 3) output levels and input thresholds to values compatible with the VCC powering the external logic (such as a UART). The single pin powerdown function ( SHDN = 0) disables all the receiver and transmitter outputs, while shutting down the charge pump to minimize supply current drain.
Parameters
| Attributes | Value |
|---|---|
| Transmitters (#) | 3 |
| Receivers (#) | 2 |
| High ESD Protection | Yes |
| Data Rate (Mbps) | 0.5 |
| Supply Voltage Vcc Range | 3-5.5 |
| Manual Shutdown | Yes |
| Auto Shutdown | No |
| Rx Disable | No |
| Charge-pump Capacitance Value (µF) | 0.1 |
| IS Enabled (mA) | 0.3 |
| IS Disabled (μA) | 1 |
Package Options
| Pkg. Type | Pkg. Dimensions (mm) | Lead Count (#) | Pitch (mm) |
|---|---|---|---|
| TSSOP | 6.5 x 4.4 x 0.00 | 20 | 0.7 |
Applications
- Any System Requiring RS-232 Communication Ports Battery Powered, Hand-Held, and Portable Equipment Laptop Computers, Notebooks, Palmtops Digital Cameras PDA's and PDA Cradles Cellular/Mobile Phones
Applied Filters: