| CAD Model: | View CAD Model |
| Pkg. Type: | QFN |
| Pkg. Code: | LFK |
| Lead Count (#): | 28 |
| Pkg. Dimensions (mm): | 4.0 x 5.0 x 0.90 |
| Pitch (mm): | 0.5 |
| Moisture Sensitivity Level (MSL) | 3 |
| Pb (Lead) Free | Yes |
| ECCN (US) | EAR99 |
| HTS (US) | 8542.39.0090 |
| RoHS (ISL78419ARZ) | Download |
| Lead Count (#) | 28 |
| Carrier Type | Tube |
| Moisture Sensitivity Level (MSL) | 3 |
| Pb (Lead) Free | Yes |
| Pb Free Category | Pb-Free 100% Matte Tin Plate w/Anneal-e3 |
| Temp. Range (°C) | -40 to +105°C |
| Country of Assembly | MALAYSIA |
| Country of Wafer Fabrication | TAIWAN |
| Input Voltage (Max) (V) | 5.5 |
| Input Voltage (Min) (V) | 2.5 |
| Input Voltage Range (V) | 2.5 - 5.5 |
| Length (mm) | 4 |
| Linear Output | Yes |
| MOQ | 450 |
| Outputs (#) | 4 |
| Parametric Applications | Automotive TFT-LCD |
| Parametric Category | Integrated TFT-LCD DC-DC Regulators |
| Pitch (mm) | 0.5 |
| Pkg. Dimensions (mm) | 4.0 x 5.0 x 0.90 |
| Pkg. Type | QFN |
| Price (USD) | $4.29977 |
| Qualification Level | Automotive |
| Thickness (mm) | 0.9 |
| Width (mm) | 5 |
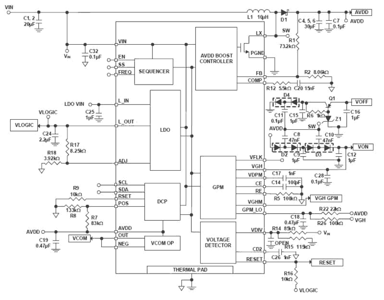
The ISL78419 is an integrated power management IC (PMIC) for TFT-LCDs used in central display, rear seat entertainment and virtual dashboards. The device integrates a boost converter for generating AVDD, an LDO regulator for VLOGIC. VON and VOFF are generated by a charge pump driven by the switch node of the boost converter. The ISL78419 also includes a VON slice circuit, reset function, and a high performance VCOM amplifier with a Digitally Controlled Potentiometer (DCP) that is used as a VCOM calibrator. The AVDD boost converter features a 1. 5A/0. 18Ω boost FET with 600kHz/1200kHz switching frequency. The integrated logic LDO includes a 350mA FET for driving the low voltage needed by external digital circuitry. The gate pulse modulator can control the gate voltage up to 30V, and both the rate and slew delay times are selectable. The supply monitor generates a reset signal when the system is powered down based on a user selected threshold level (programming resistor). The ISL78419 provides a digitally controlled VCOM output using I2C interface. One VCOM amplifier is also integrated in the chip to provide a fast slewing 150mA drive (sourcing or sinking). The output of the VCOM is powered up with the voltage stored at the last programmed 8-bit (internal) EEPROM setting. The ISL78419 is rated to operate over the temperature range of (-40°C to +105°C) and is qualified according to AEC-Q100.