Skip to main content
Renesas Electronics Corporation

Features

  • Adjustable undervoltage lockout for each supply
  • Active high PGOOD Output
  • Guaranteed PGOOD Valid to Falling VDD < 1V
  • VMON Glitch Immunity
  • Pb-Free (RoHS Compliant)

Description

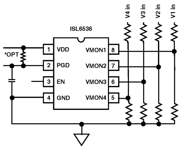
The ISL6536 is a four channel supervisory IC designed to monitor voltages >, = 0. 7V. This IC bias range is from 2. 7V to 4V but can supervise any positive voltage using an external resistor divider to translate to a lower voltage for comparison to the internal 0. 63V reference. Once properly biased and enabled when all four voltage monitor (VMON) inputs are satisfied the PGOOD output will be immediately released to go high to signal that voltage is valid on all four rails. Subsequently when the monitored voltage on any rail drops below its user defined threshold point, the PGOOD output is pulled low. Each rail's VMON point is independently adjustable with a resistor divider. The PGOOD output is guaranteed to be valid with IC bias lower than 1V. The VMON inputs will ignore 30µs transients on the monitored supplies. The PGOOD output is an open-drain to allow ORing of multiple signals and interfacing to a range of logic levels. The ENABLE input provides for a reset of the PGOOD output when it is pulled down below 0. 5V. With an internal 10µA pull-up to VDD it can be signalled with common logic or pulled to ground with a push button switch.

Applications

  • Graphics Cards
  • Multi voltage DSPs and Processors
  • µP Voltage Monitoring
  • Embedded Control Systems
  • Intelligent Instruments
  • Medical Equipment
  • Network Routers
  • Portable Battery-Powered Equipment
  • Set-Top Boxes
  • Telecommunications Systems

Applied Filters: