Skip to main content

Features

  • 40Mbps data rate
  • 6kVRMS isolation/1000VRMS working voltage
  • 12.8kV surge immunity
  • 1/5 unit load allows up to 160 devices on the bus
  • 3V to 5V power supplies
  • 20ns propagation delay
  • 5ns pulse skew
  • 50kV/μs common-mode transient immunity
  • 10kV ESD protection
  • Low EMC footprint
  • Thermal shutdown protection
  • -40°C to +85°C temperature range
  • Meets or exceeds ANSI RS-485 and ISO 8482:1987(E)
  • 0.3" true 8mm 16 Ld SOICW package
  • UL 1577 recognized
  • VDE V 0884-11 (certification pending)

Description

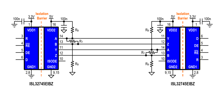
The ISL32745E is a galvanically isolated, high-speed differential bus transceiver, designed for full-duplex data communication on balanced transmission lines. The device uses Giant Magnetoresistance (GMR) as its isolation technology. The part is available in a 16 Ld SOICW package with true 8mm creepage distance. The ISL32745E delivers a minimum differential output voltage of 2. 1V across a 54Ω differential load for high noise immunity and excellent data integrity. A unique ceramic/polymer composite barrier provides 6kV reinforced isolation and 44, 000 years of barrier life. The device is compatible with 3V and 5V input supplies, allowing a simple interface to local controllers. Current limiting and thermal shutdown features protect against output short circuits and bus contention that may cause excessive power dissipation. Receiver inputs are a full fail-safe design, ensuring a logic high R-output if A/B are open (floating) or shorted.

Applied Filters: