Skip to main content
Renesas Electronics Corporation

Features

  • Low power 120µA typical supply current (ISL28286)
  • 600µV maximum offset voltage
  • 500pA typical input bias current
  • 400kHz typical gain-bandwidth product
  • 115dB typical PSRR and CMRR
  • Single supply operation down to 2.4V
  • Input is capable of swinging above V+ and to V- (ground sensing)
  • Rail-to-rail input and output (RRIO)
  • Pb-free plus anneal available (RoHS compliant)

Description

Support is limited to customers who have already adopted these products.

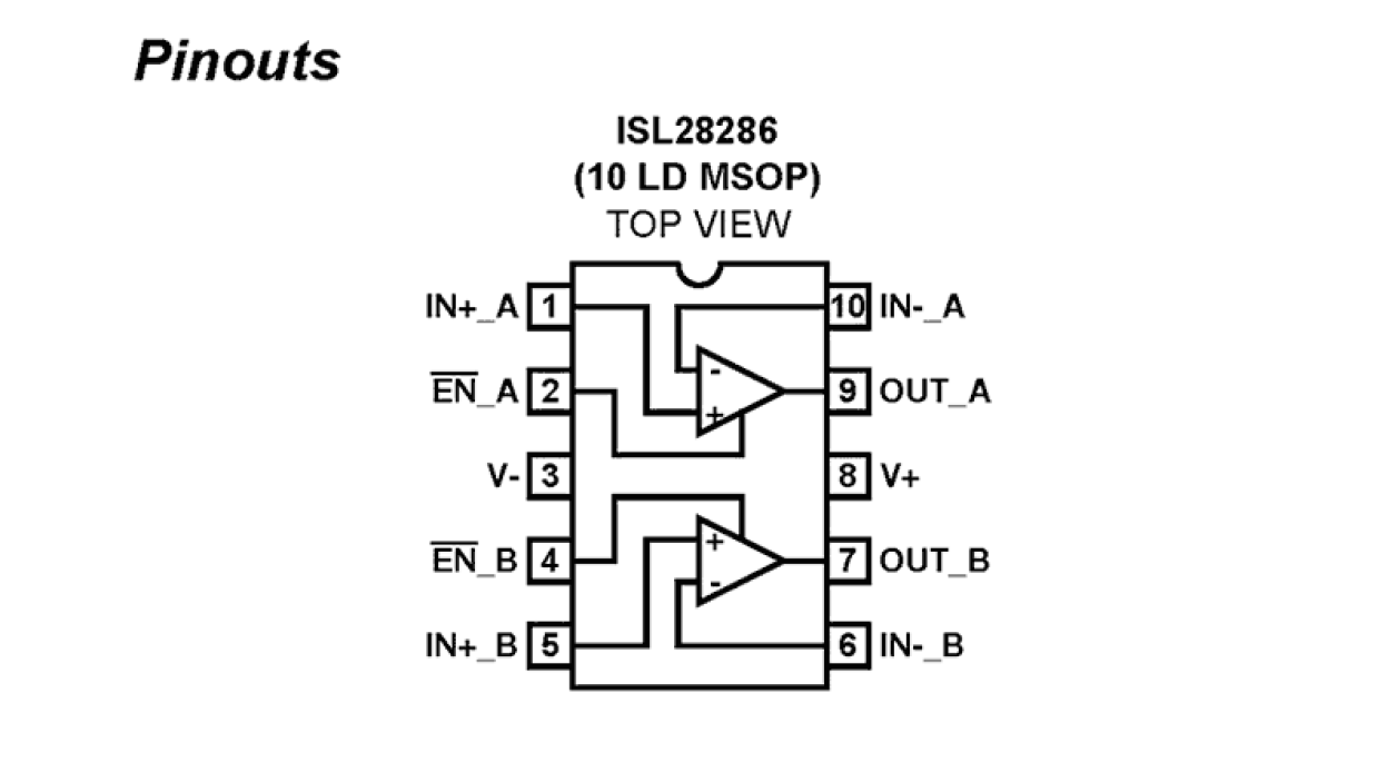
The ISL28286 and ISL28486 are dual and quad channel micropower operational amplifiers optimized for single supply operation over the 2. 4V to 5V range. They can be operated from one lithium cell or two Ni-Cd batteries. For equivalent performance in a single channel op amp reference EL8186. These devices feature an Input Range Enhancement Circuit (IREC) which enables them to maintain CMRR performance for input voltages 10% above the positive supply rail and down to the negative supply. The output operation is rail to rail. The ISL28286 and ISL28486 draw minimal supply current while meeting excellent DC-accuracy, AC-performance, noise and output drive specifications. The ISL28286 contains a power down enable pin that reduces the power supply current to less than 4µA max in the disabled state.

Applications

  • Battery- or solar-powered systems
  • 4mA to 25mA current loops
  • Handheld consumer products
  • Medical devices
  • Thermocouple amplifiers
  • Photodiode pre-amps
  • pH probe amplifiers

Applied Filters: