Skip to main content
Renesas Electronics Corporation

Features

  • Throughput Rate 130MSPS
  • Low Power (at 100MSPS) at 5V 175mW, at 3V 32mW
  • Adjustable Full Scale Output Current 2mA to 20mA
  • Internal 1.2V Bandgap Voltage Reference
  • Single Power Supply from +5V to +3V
  • Power Down Mode
  • CMOS Compatible Inputs
  • Excellent Spurious Free Dynamic Range (77dBc, fS = 50MSPS, fOUT = 2.51MHz)
  • Excellent Multitone Intermodulation Distortion
  • Pb-Free Available (RoHS Compliant)

Description

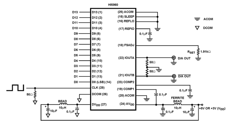
The HI5960 is a 14-bit, 130MSPS (Mega Samples Per Second), High-Speed, low power, D/A converter which is implemented in an advanced CMOS process. Operating from a single +3V to +5V supply, the converter provides 20mA of full scale output current and includes edge-triggered CMOS input data latches. Low glitch energy and excellent frequency domain performance are achieved using a segmented current source architecture. This device complements the CommLink HI5x60 and HI5x28 family of High-Speed converters, which includes 8, 10, 12, and 14-bit devices.

Applications

  • Cellular Basestations
  • WLL, Basestation and Subscriber Units
  • Medical/Test Instrumentation
  • Wireless Communications Systems
  • Direct Digital Frequency Synthesis
  • High Resolution Imaging Systems
  • Arbitrary Waveform Generators

Applied Filters: