Skip to main content
Renesas Electronics Corporation

Features

  • 3 Micron Radiation Hardened SOS CMOS
  • Total Dose 200K RAD (Si)
  • SEP Effective LET No Upsets: >100 MEV-cm2/mg
  • Single Event Upset (SEU) Immunity < 2 x 10-9 Errors/ Bit-Day (Typ)
  • Dose Rate Survivability: >1 x 1012 RAD (Si)/s
  • Dose Rate Upset >1010 RAD (Si)/s, 20ns Pulse
  • Latch-Up Free Under Any Conditions
  • Military Temperature Range: -55°C to +125°C
  • Significant Power Reduction Compared to LSTTL ICs
  • DC Operating Voltage Range: 4.5V to 5.5V
  • Input Logic Levels
  • VIL = 30% of VCC Max
  • VIH = 70% of VCC Min
  • Input Current Levels Ii ≤ 5µA at VOL, VOH

Description

Support is limited to customers who have already adopted these products.

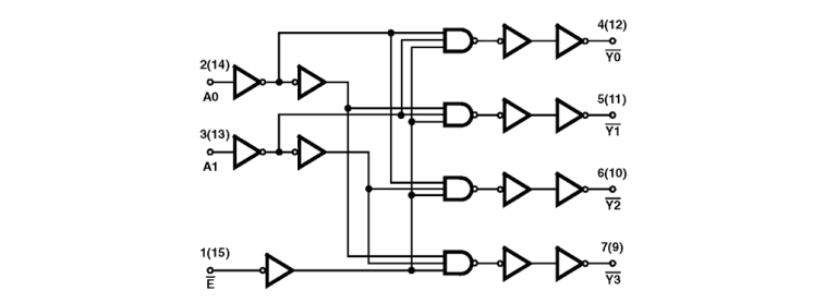
The Intersil HCS139MS is a Radiation Hardened 2-to-4 line Decoder/Demultiplexer with an active low enable (E). Data on the select inputs (A0, A1) cause one of the four normally high outputs to go to a low logic level. The Demultiplexing function is performed by using the enable input as the data input. If the enable input is high all four outputs remain high. For demultiplexer operation the enable input is the data input. The enable input also functions as a chip select when these devices are cascaded. The HCS139MS utilizes advanced CMOS/SOS technology to achieve high-speed operation. This device is a member of radiation hardened, high-speed, CMOS/SOS Logic Family. The HCS139MS is supplied in a 16 lead Ceramic flatpack (K suffix) or a SBDIP Package (D suffix).

Applied Filters: