Skip to main content
Renesas Electronics Corporation

Features

  • 3 Micron Radiation Hardened SOS CMOS
  • Total Dose 200K RAD (Si)
  • SEP Effective LET No Upsets: >100 MEV-cm2/mg
  • Single Event Upset (SEU) Immunity < 2 x 10-9 Errors/ Bit-Day (Typ)
  • Dose Rate Survivability: >1 x 1012 RAD (Si)/s
  • Latch-Up Free Under Any Conditions
  • Fanout (Over Temperature Range)
  • Standard Outputs - 10 LSTTL Loads
  • Military Temperature Range: -55°C to +125°C
  • Significant Power Reduction Compared to LSTTL ICs
  • DC Operating Voltage Range: 4.5V to 5.5V
  • Input Logic Levels
  • VIL = 0.3 VCC Max
  • VIH = 0.7 VCC Min
  • Input Current Levels Ii ≤ 5µA at VOL, VOH

Description

Support is limited to customers who have already adopted these products.

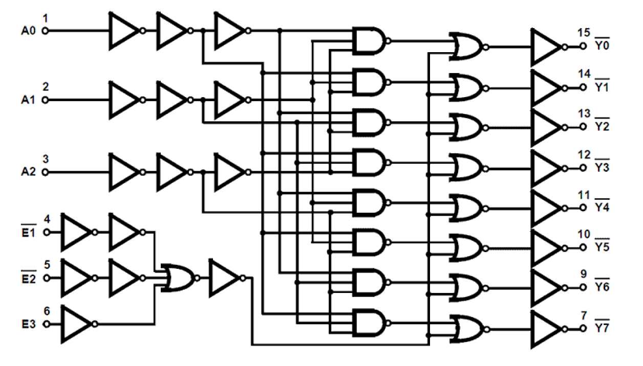
The Intersil HCS138MS is a Radiation Hardened 3-to-8 line Decoder/Demultiplexer. The outputs are active in the low state. Two active low and one active high enables (E1, E2, E3) are provided. If the device is enabled, the binary inputs (A0, A1, A2) determine which one of the eight normally high outputs will go to a low logic level. The HCS138MS utilizes advanced CMOS/SOS technology to achieve high-speed operation. This device is a member of radiation hardened, high-speed, CMOS/SOS Logic Family. The HCS138MS is supplied in a 16 lead Ceramic flatpack (K suffix) or a SBDIP Package (D suffix).

Applied Filters: