Skip to main content
Renesas Electronics Corporation

Features

  • Quad 64Gbps linear TIA Integrated SPI and analog interface
  • Differential linear gain: 150Ω–5,000Ω and > 30dB dynamic range
  • 40+GHz adjustable 3dB bandwidth
  • Automatic and manual gain control, Output Voltage Control, Peak Detection, RSSI and Input Current Monitor, and Shutdown functionalities
  • Low THD, cross talk, and power consumption for covering 64QAM applications 

Description

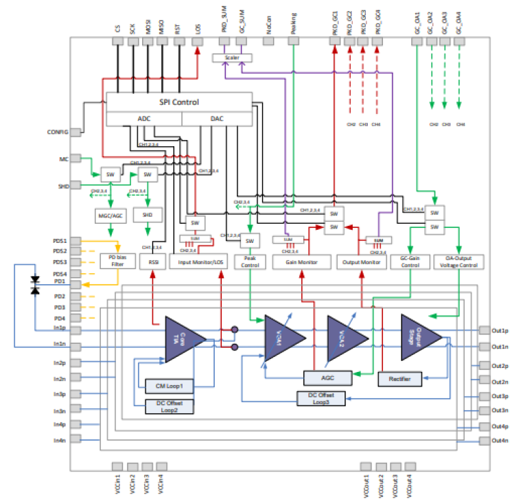
The GX36420-3 is a 64Gbps linear quad TIA chip that integrates four lanes of TIAs for XI, XQ, YI, and YQ channels, as well as digital interface circuitry for DC controls on a single die for 400G/600G coherent applications.

The TIA electrical characteristics, functions, and physical dimensions are designed for small-form factor integrated optical module such as CFP2 and CFP4.

Applied Filters: