Skip to main content

Features

  • Four fully independent PLLs
  • Output is programmable as LVPECL or LVDS
  • Programmable output frequency: 0.98MHz up to 1,300MHz
  • Differential inputs support the following input types: LVPECL, LVDS, LVHSTL, HCSL
  • Input frequency range: 8kHz to 710MHz
  • Input clock monitor on each PLL will smoothly switch between redundant input references
  • I²C serial interface for register programming
  • RMS phase jitter: 465fs (typical), Low Bandwidth mode (FracN)
  • RMS phase jitter: 333fs (typical), Synthesizer mode (integer FB)
  • Full 2.5V supply mode
  • -40 °C to 85 °C ambient operating temperature
  • 10mm x 10mm CABGA lead-free (RoHS 6) package
  • Additional family members include a Dual PLL 8T49N244I, Tri-PLL 8T49N366I, and Quad PLL (8T49N488I)

Description

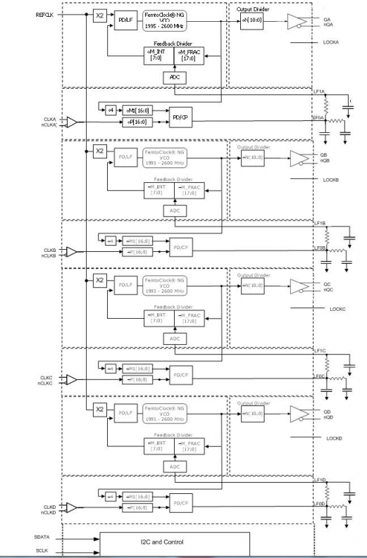
The 8T49N445I is a quad PLL with FemtoClock® NG technology. The 8T49N445I integrates low-phase noise frequency translation/synthesizer and jitter attenuation. It includes alarm and monitoring functions suitable for networking and communications applications. The device has four fully independent PLLs, each PLL can generate any output frequency in the 0.98MHz to 312.5MHz range and most output frequencies in the 312.5MHz to 1,300MHz range. A wide range of input reference clocks may be used as the source for the output frequency. Each 8T49N445I PLL has three operating modes to support a very broad spectrum of applications: Frequency Synthesizer, High-Bandwidth Frequency Translator, and Low-Bandwidth Frequency Translator.

To see other devices in this product family, visit the Universal Frequency Translators page.

Applied Filters: