Skip to main content
Renesas Electronics Corporation

Features

  • Integrated 85Ω differential terminations; saves 48 resistors and 82mm² area
  • LP-HCSL output drivers; 40% typical power savings over 932SQ420
  • 0.5% down spread capable on CPU, SRC, and PCI outputs; reduce EMI
  • Additional down spread amounts selectable via SMBus; maximal system flexibility
  • 64-pin TSSOP and VFQFPN packages; smallest board footprint
  • CPU, SRC, NS_SRC, and NS_SAS cycle-cycle jitter <50ps
  • Output to output skew < 50ps
  • Phase jitter: PCIe Gen2 < 2.5ps rms
  • Phase jitter: PCIe Gen3 < 0.6ps rms
  • Phase jitter: QPI < 0.3ps rms
  • Phase jitter: NS-SAS < 1.3ps rms using a long-period phase jitter method

Description

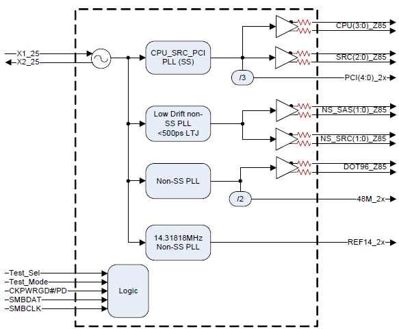
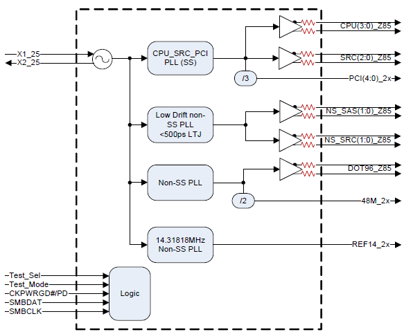
The 932SQL450 is a low-power version of the CK420BQ synthesizer for Intel-based server platforms. It has 85Ω LP-HCSL outputs allowing for direct connection to 85Ω transmission lines. The 932SQL450 is driven with a 25MHz crystal for maximum performance. It generates CPU outputs of 100MHz. This device has a "low-drift" non-spread SAS/SRC PLL for use in systems that need to communicate across PCIe domains.

4 - Low-Power HCSL-compatible (LP-HCSL) CPU outputs
2 - LP-HCSL NS_SAS outputs
2 - LP-HCSL NS_SRC outputs
3 - LP-HCSL SRC outputs
1 - LP-HCSL DOT96 output
1 - 3.3V 48M output
5 - 3.3V PCI outputs
1 - 3.3V 14.318M output

Applications

  • Low power CK420BQ with Zout = 85Ω or PCIe Common Clocked systems (CC)

Applied Filters: