Features
- 14-channel gamma references, 10-bit resolution with buffered outputs
- 1-channel VCOM calibrator with 10-bit resolution
- High output current VCOM amplifier
- Ultra-low power operation, ideal for automotive displays: Typical quiescent power, 12mW at 8V AVDD
- EEPROM data retention: 20 years at 105 °C
- EEPROM endurance: 10,000 write cycles
- Read/write capable over 2.25V to 3.6V DVDD range
- 6.3V to 19V analog supply operating range
- 2.25V to 3.6V digital supply operating range
- Power Supply Rejection Ratio (PSRR): 75dB typical
- 28 Ld 4mm x 5mm super thin X2QFN package
- Pb-free (RoHS compliant)
- AEC-Q100 qualified
Description
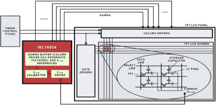
The ISL76534 is a programmable gamma buffer for TFT-LCDs featuring ultra-low power operation. The ISL76534 contains an I²C programmable, 10-bit, 14-channel gamma reference voltage generator with buffered outputs, a 10-bit programmable VCOM calibrator, a high output current VCOM amplifier, and internal EEPROM to store all reference voltage data. The EEPROM features an endurance of 10,000 write cycles and a data retention of 20 years at 105 °C. Combining gamma and VCOM reference voltage generators with low power operation and EEPROM, the ISL76534 provides a complete reference voltage solution ideal for TFT-LCD displays. The ISL76534 is available in a super thin (height = 0.4mm maximum) 28 Ld 4mm x 5mm X2QFN thermally enhanced package. The device is specified for operation across the ambient temperature range of -40 °C to +105 °C.
Parameters
| Attributes | Value |
|---|---|
| Channels (#) | 15 |
| Rail-to-Rail | Out |
| Supply Voltage Vs Range | 6.3-19 |
| IS (mA) | 1 |
| Bus Interface Speed (MHz) | 0.4 |
| Interface | I2C |
Package Options
| Pkg. Type | Pkg. Dimensions (mm) | Lead Count (#) | Pitch (mm) |
|---|---|---|---|
| X2QFN | 4.0 x 5.0 x 0.38 | 28 | 0.5 |
Applied Filters: