Skip to main content
Alternative(s) Available

Features

  • 2 configurable serial outputs
  • 3V, 1.8V single supplies
  • Compliant with JESD204A serial transmission standard
  • Dual channel 16-bit pipelined ADC core
  • Duty cycle stabilizer
  • Flexible input voltage range: 1V (p-p) to 2V (p-p)
  • High IF capability
  • Input bandwidth, 600MHz
  • Offset binary, 2s complement, gray code
  • Power-down and Sleep modes
  • Sample rate up to 80Msps
  • SFDR, 90dBc
  • SNR, 73dB
  • SPI interface

Description

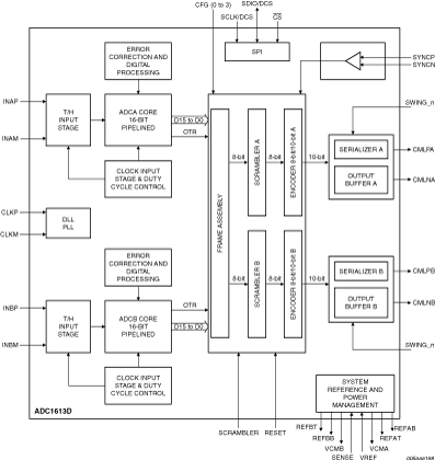
The ADC1613D080HN is a dual-channel, 16-bit analog-to-digital converter (ADC) optimized for high dynamic performances and low power at sample rates up to 80Msps. Pipelined architecture and output error correction ensure the ADC1613D is accurate enough to guarantee zero missing codes over the entire operating range. Supplied from a 3V source for analog and a 1.8V source for the output driver, it has two serial outputs, which are compliant with the JESD204A standard. An integrated serial peripheral interface (SPI) allows the user to easily configure the ADC.

Applied Filters: