Skip to main content

Features

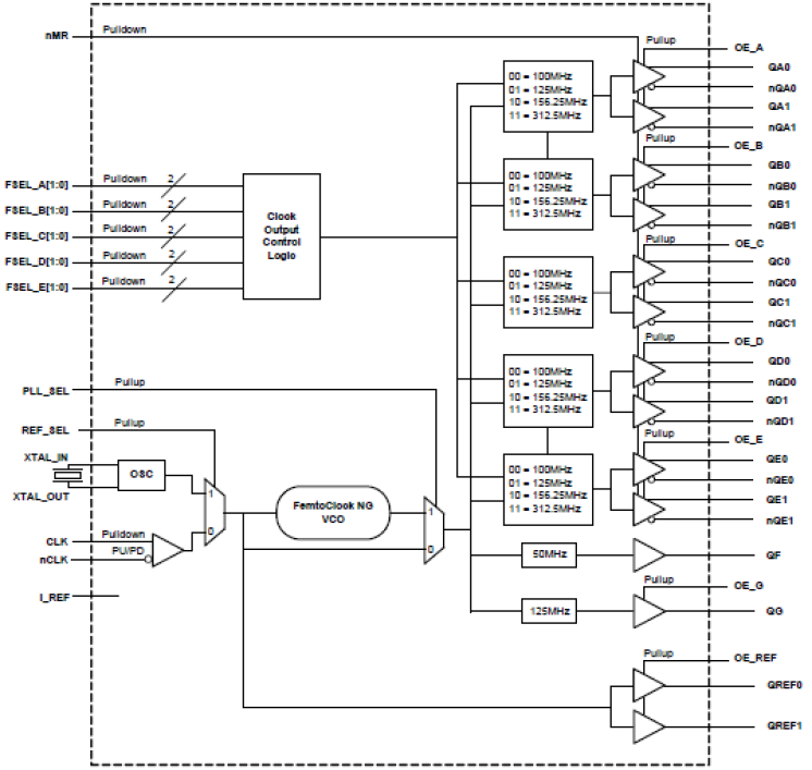
  • Ten selectable 100MHz, 125MHz, 156.25MHz, and 312.5MHz clocks for PCI Express, sRIO, and GbE, HCSL interface levels
  • One single-ended QG LVCMOS/LVTTL clock output at 125MHz
  • One single-ended QF LVCMOS/LVTTL clock output at 50MHz
  • Two single-ended QREFx LVCMOS/LVTTL outputs at 25MHz
  • Selectable external crystal or differential (single-ended) input source
  • Crystal oscillator interface designed for 25MHz, parallel resonant crystal
  • Differential CLK, nCLK input pair that can accept: LVPECL, LVDS, LVHSTL, HCSL input levels
  • Internal resistor bias on nCLK pin allows the user to drive CLK input with external single-ended (LVCMOS/ LVTTL) input levels
  • Supply modes, (125MHz QG output and 25MHz QREFx outputs):
    • Core/Output
      • 3.3V/3.3V
      • 3.3V/2.5V
  • Supply Modes, (HCSL outputs, and 50MHz QF output):
    • Core/Output
      • 3.3V/3.3V
  • -40 °C to 85 °C ambient operating temperature
  • Lead-free (RoHS 6) packaging

Description

The 8V41N012A is a PLL-based clock generator specifically designed for Cavium Networks Octeon II processors. This high performance device is optimized to generate the processor core reference clock, the PCI Express, sRIO, XAUI, SerDes reference clocks, and the clocks for both the Gigabit Ethernet MAC and PHY. The output frequencies are generated from a 25MHz external input source or an external 25MHz parallel resonant crystal. The industrial temperature range of the 8V41N012A supports telecommunication, networking, and storage requirements.

Applied Filters: