Skip to main content

Features

  • High speed 2:2 differential divider
  • Two differential LVPECL or LVDS output pairs
  • Four selectable divide combinations
  • PCLKx can accept the following input levels: LVPECL, LVDS, CML
  • Maximum input frequency: 2.5GHz
  • Propagation delay: 0.8ns (minimum), 1.6ns (maximum)
  • Output Skew: 25ps (maximum)
  • Full 3.3V or 2.5V supply modes
  • -40°C to 85°C ambient operating temperature
  • Available in lead-free (RoHS 5) package

Description

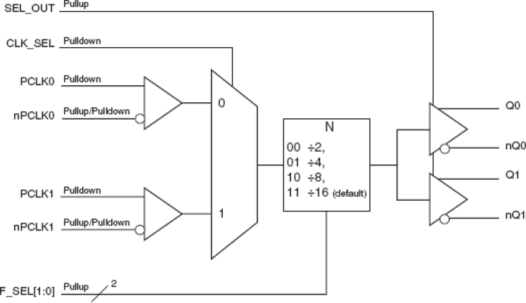
The 879S216I-02 is a Differential-to-LVPECL/ LVDS Clock Divider which can operate up to 2.5GHz. 879S216I-02 has 2 selectable differential clock inputs. The fully differential architecture and low propagation delay make it ideal for use in clock distribution circuits. 879S216I-02 can divide the input clock by ÷2, ÷4, ÷8 and ÷16. Table 4A lists all the available output dividers.

Applied Filters: