Skip to main content
3.3V CMOS 16-Bit Transparent D-Type Latch with 3-State Outputs and Bus-Hold

Package Information

CAD Model:View CAD Model
Pkg. Type:TSSOP
Pkg. Code:PAG48
Lead Count (#):48
Pkg. Dimensions (mm):12.5 x 6.1 x 1.0
Pitch (mm):0.5

Environmental & Export Classifications

Pb (Lead) FreeYes
Moisture Sensitivity Level (MSL)1
ECCN (US)
HTS (US)

Product Attributes

Lead Count (#)48
Pb (Lead) FreeYes
Carrier TypeTube
Bus Width (bits)16
Core Voltage (V)3.3
FunctionLatch
Length (mm)12.5
MOQ585
Moisture Sensitivity Level (MSL)1
Output Type3-state
Package Area (mm²)76.3
Pb Free Categorye3 Sn
Pitch (mm)0.5
Pkg. Dimensions (mm)12.5 x 6.1 x 1.0
Pkg. TypeTSSOP
Price (USD)$0.88107
PublishedNo
Qty. per Carrier (#)39
Qty. per Reel (#)0
Requires Terms and ConditionsDoes not require acceptance of Terms and Conditions
Speed GradeStandard
Tape & ReelNo
Temp. Range (°C)-40 to 85°C
Thickness (mm)1
Width (mm)6.1

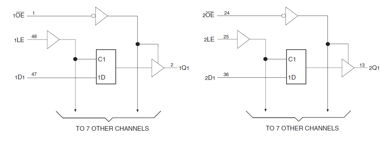
Description

The 74ALVCH162373 16-bit transparent D-type latch is particularly suitable for implementing buffer registers, I/O ports, bidirectional bus drivers, and working registers. This device can be used as two 8-bit latches or one16-bit latch. The 74ALVCH162373 has series resistors in the device output structure which will significantly reduce line noise when used with light loads. The 74ALVCH162373 has "bus-hold" which prevents floating inputs and eliminates the need for pull-up/down resistor. The 74ALVCH162373 operates at -40C to +85C