Skip to main content

Features

  • Supports clock frequencies up to 83 MHz
  • Fast access times of 8ns
  • Free-running CLKA and CLKB can be asynchronous or coincident
  • Mailbox bypass Register for each FIFO
  • Programmable Almost-Full and Almost-Empty Flags
  • Microprocessor interface control logic
  • Passive parity checking on each port
  • Available in 132-pin PQF and 120-pin TQFP packages
  • Industrial temperature range (–40C +85C) is available

Description

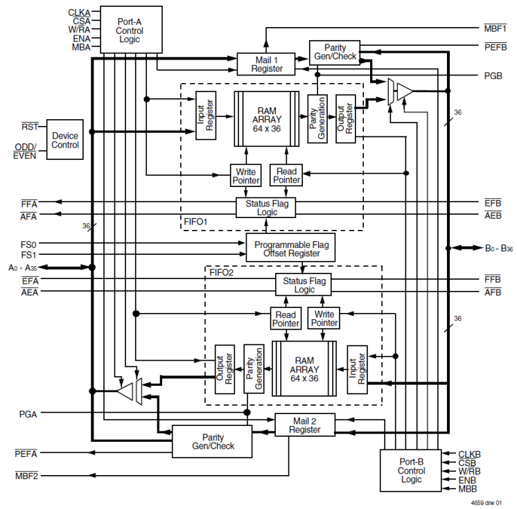
The 72V3612 is a 3.3V version of the 723612. Two independent 64 x 36 dual-port SRAM FIFOs on board the chip buffer data in opposite directions. Communication between each port can bypass the FIFOs via two 36-bit mailbox registers. The enables for each port are arranged to provide a simple bi-directional interface between microprocessors and/or buses with synchronous control.

Applied Filters: