Skip to main content
Renesas Electronics Corporation

Features

  • Equivalent to two 7200 256 x 9 FIFOs
  • Asynchronous and simultaneous read and write
  • Status Flags: Empty, Half-Full, Full
  • Auto-retransmit capability
  • Available in 56 pin TSSOP
  • Industrial temperature range (–40C to +85C) is available

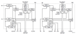
Description

The 7280 is a dual-FIFO memory that loads and empties data on a first-in/first-out basis. It utilizes a 9-bit wide data array to allow for control and parity bits at the user's option. This is useful in data communications applications where a parity bit is needed for transmission/reception error checking. It is designed for those applications requiring asynchronous and simultaneous read/writes in multiprocessing and rate buffer applications.

Applied Filters: