Skip to main content
Renesas Electronics Corporation
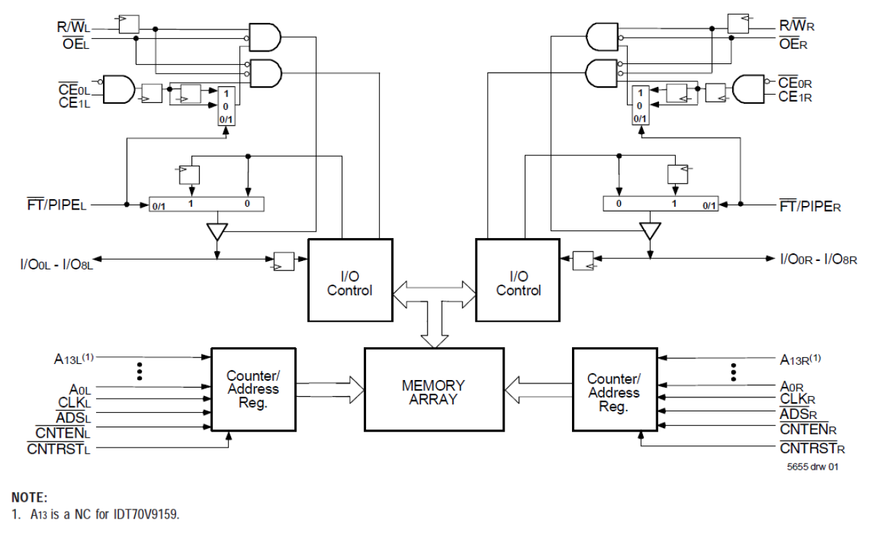
8K x 9 Sync,3.3V Dual-Port RAM, Pipelined/Flow-Through

Package Information

CAD Model:View CAD Model
Pkg. Type:CABGA
Pkg. Code:BF100
Lead Count (#):100
Pkg. Dimensions (mm):10.0 x 10.0 x 1.4
Pitch (mm):0.8

Environmental & Export Classifications

Pb (Lead) FreeNo
Moisture Sensitivity Level (MSL)3
ECCN (US)
HTS (US)

Product Attributes

Lead Count (#)100
Pb (Lead) FreeNo
Carrier TypeTray
ArchitectureDual-Port
Bus Width (bits)9
Core Voltage (V)3.3
Density (Kb)72
FunctionCounters, Dual Clocks
I/O Frequency (MHz)83 - 83
I/O Type3.3 V LVTTL
InterfaceSync
Length (mm)10
MOQ120
Moisture Sensitivity Level (MSL)3
Organization8K x 9
Output TypeFlowthrough, Pipelined
Package Area (mm²)100
Pb Free Categorye0
Pitch (mm)0.8
Pkg. Dimensions (mm)10.0 x 10.0 x 1.4
Pkg. TypeCABGA
Qty. per Carrier (#)240
Qty. per Reel (#)0
Requires Terms and ConditionsDoes not require acceptance of Terms and Conditions
Tape & ReelNo
Temp. Range (°C)0 to 70°C
Thickness (mm)1.4
Width (mm)10

Description

The 70V9159 is a high-speed 8K x 9 bit synchronous Dual-Port RAM that has been optimized for applications having unidirectional or bidirectional data flow in bursts. An automatic power down feature, controlled by CE0 and CE1, permits the on-chip circuitry of each port to enter a very low standby power mode.