Skip to main content
Renesas Electronics Corporation
Alternative(s) Available
7035 - 8K x 18 Dual-Port RAM
  • Notes:Larger density

Features

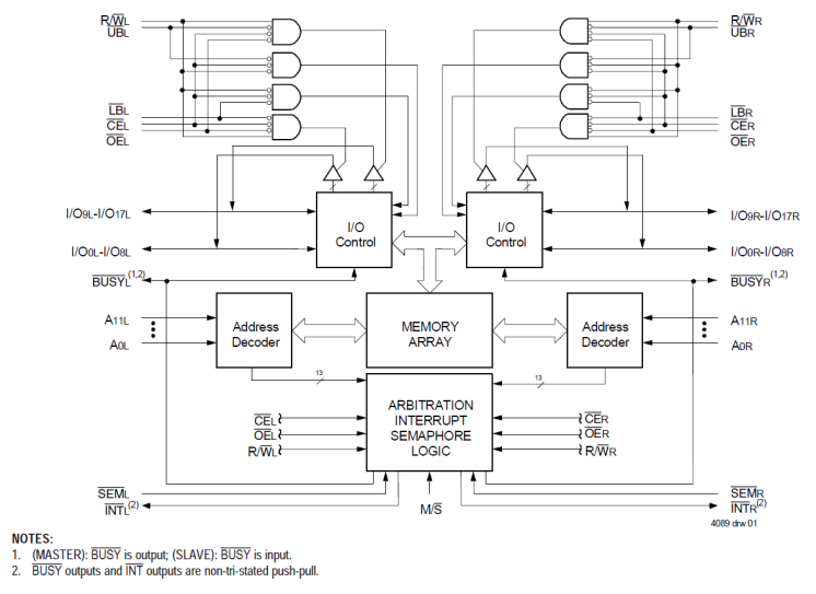
  • True Dual-Port allows simultaneous reads of the same memory location
  • Separate upper-byte and lower-byte control for multiplexed bus compatibility
  • Interrupt Flag
  • On-chip port arbitration logic
  • Full on-chip hardware support of semaphore signaling between ports
  • Fully asynchronous operation from either port
  • Battery backup operation—2V data retention
  • TTL-compatible, single 5V (±10%) power supply
  • Available in 100-pin TQFP package
  • Industrial temperature range (–40C to +85C) is available

Description

The 7034 is a high-speed 4K x 18 Dual-Port Static RAM designed to be used as a stand-alone 72K-bit Dual-Port RAM or as a combination MASTER/SLAVE Dual-Port RAM for 36-bit or more word systems. This MASTER/SLAVE approach in 36-bit or wider memory system applications results in full-speed, error-free operation without the need for additional discrete logic. An automatic power down feature controlled by Chip Enable (CE) permits the on-chip circuitry of each port to enter a very low standby power mode.

Applied Filters: