Skip to main content

Features

  • True Dual-Ported memory cells which allow simultaneous reads of the same memory location
  • 7019 easily expands data bus width to 18 bits or more
  • Interrupt Flag
  • On-chip port arbitration logic
  • Full on-chip hardware support of semaphore signaling between ports
  • Fully asynchronous operation from either port
  • TTL-compatible, single 5V (±10%) power supply
  • Available in 100- pin TQFP package
  • Industrial temperature range (–40C to +85C) is available

Description

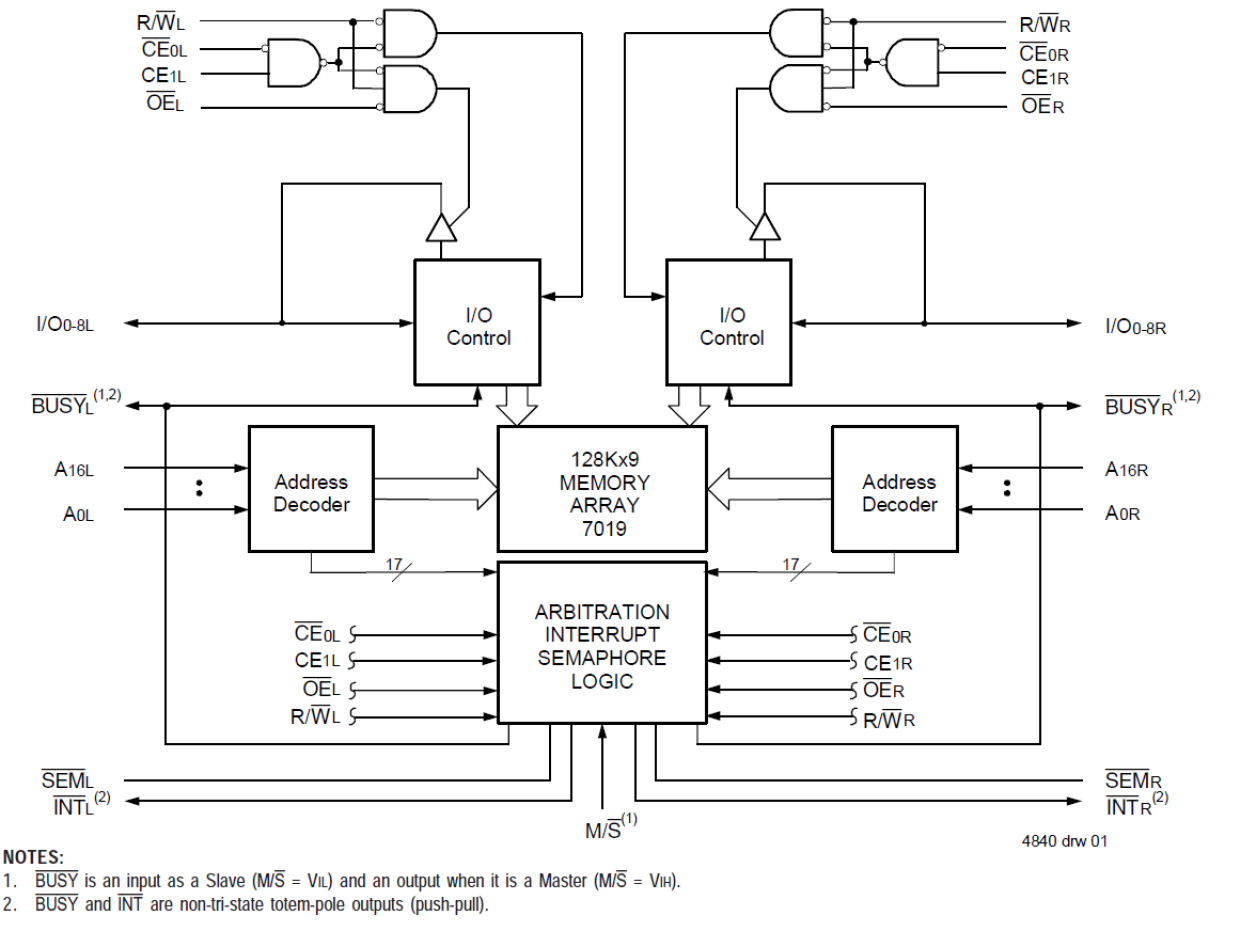
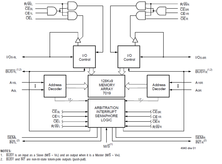
The 7019 is a high-speed 128K x 9 Dual-Port Static RAM designed to be used as a stand-alone Dual-Port RAM or as a combination MASTER/SLAVE Dual-Port RAM for 18-bit-or-more word systems. Using the IDT MASTER/SLAVE Dual-Port RAM approach in 18- bit or wider memory system applications results in full-speed, error-free operation without the need for additional discrete logic. An automatic power down feature controlled by CE permits the on-chip circuitry of each port to enter a very low standby power mode.

Applied Filters: