Skip to main content
Renesas Electronics Corporation

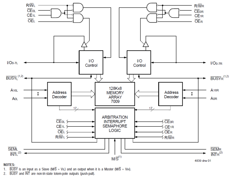
Features

  • True Dual-Ported memory cells which allow simultaneous reads of the same memory location
  • 7009 easily expands data bus width to 16 bits or more
  • Interrupt Flag
  • On-chip port arbitration logic
  • Full on-chip hardware support of semaphore signaling between ports
  • Fully asynchronous operation from either port
  • Battery backup operation—2V data retention
  • TTL-compatible, single 5V (±10%) power supply
  • Available in 100-pin TQFP package
  • Industrial temperature range (-40C to +85C) is available

Description

The 7009 is a high-speed 128K x 8 Dual-Port Static RAM designed to be used as a stand-alone 1M-bit Dual-Port RAM or as a combination MASTER/SLAVE Dual-Port RAM for 16-bit-or-more word systems. An automatic power down feature controlled by CE permits the on-chip circuitry of each port to enter a very low standby power mode.

Applied Filters: