Skip to main content
Renesas Electronics Corporation

Features

  • Generates 3 Regulated Voltages
  • Synchronous Buck PWM Controller with Standby LDO
  • 3A Integrated Sink/Source Linear Regulator with Accurate VDDQ/2 Divider Reference.
  • Glitch-free Transitions During State Changes
  • LDO Regulator for 1.5V Video and Core voltage
  • ACPI compliant sleep state control
  • Integrated VREF Buffer
  • PWM Controller Drives Low Cost N-Channel MOSFETs
  • 250kHz Constant Frequency Operation
  • Tight Output Voltage Regulation
  • All Outputs: ±2% Over Temperature
  • 5V or 3.3V Down Conversion
  • Fully-Adjustable Outputs with Wide Voltage Range: Down to 0.8V supports DDR and DDR2 Specifications
  • Simple Single-Loop Voltage-Mode PWM Control Design
  • Fast PWM Converter Transient Response
  • Under and Over-voltage Monitoring on All Outputs
  • OCP on the Switching Regulator and VTT
  • Integrated Thermal Shutdown Protection
  • QFN Package Option
  • QFN Compliant to JEDEC PUB95 MO-220 QFN - Quad Flat No Leads - Product Outline
  • QFN Near Chip Scale Package Footprint; Improves PCB Efficiency, Thinner in Profile
  • Pb-free available

Description

Support is limited to customers who have already adopted these products.

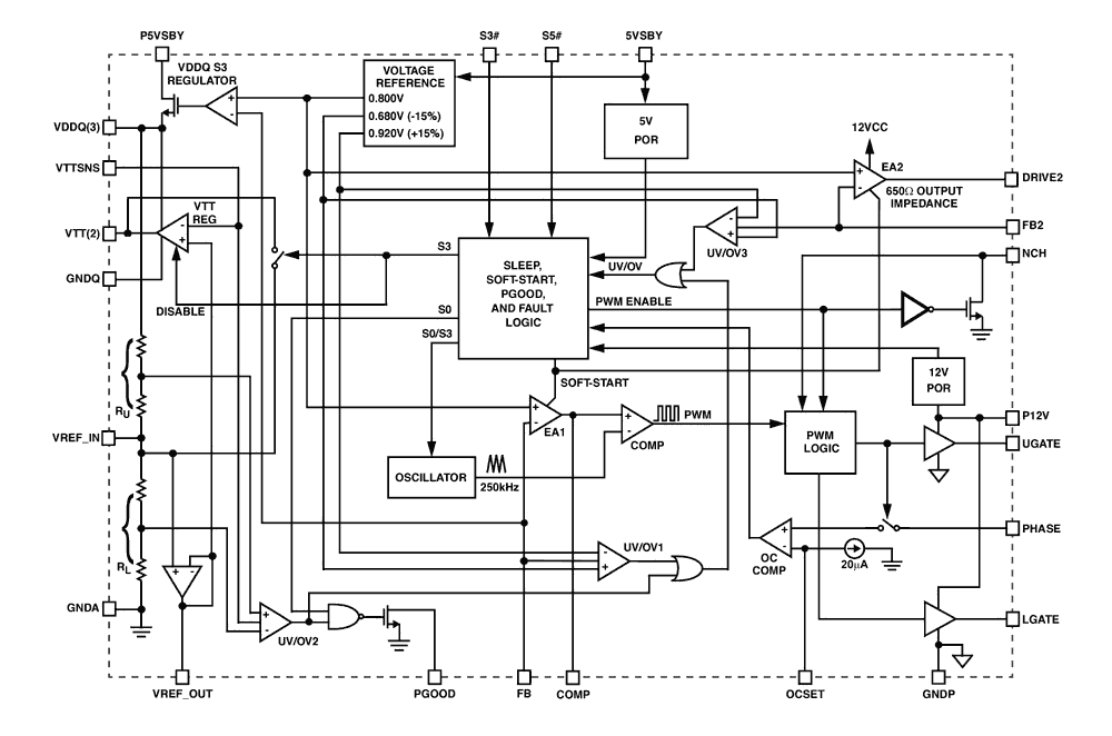
The ISL6532C provides a complete ACPI compliant power solution for up to 4 DIMM dual channel DDR/DDR2 Memory systems. Included are both a synchronous buck controller and integrated LDO to supply VDDQ with high current during S0/S1 states and standby current during S3 state. During S0/S1 state, a fully integrated sink-source regulator generates an accurate (VDDQ/2) high current VTT voltage without the need for a negative supply. A buffered version of the VDDQ/2 reference is provided as VREF. An LDO controller is also integrated for AGP core voltage regulation. The switching PWM controller drives two N-Channel MOSFETs in a synchronous-rectified buck converter topology. The synchronous buck converter uses voltage-mode control with fast transient response. Both the switching regulator and standby LDO provide a maximum static regulation tolerance of ±2% over line, load, and temperature ranges. The output is user-adjustable by means of external resistors down to 0. 8V. Switching memory core output between the PWM regulator and the standby LDO during state transitions is accomplished smoothly via the internal ACPI control circuitry. The NCH signal provides synchronized switching of a backfeed blocking switch during the transitions eliminating the need to route 5V Dual to the memory supply. An integrated soft-start feature brings all outputs into regulation in a controlled manner when returning to S0/S1 state from any sleep state. During S0 the PGOOD signal indicates VTT is within spec and operational. Each output is monitored for under and over-voltage events. The switching regulator has over current protection. Thermal shutdown is integrated.

Applications

  • Single and Dual Channel DDR Memory Power Systems in ACPI compliant PCs
  • Graphics cards - GPU and memory supplies
  • ASIC power supplies
  • Embedded processor and I/O supplies
  • DSP supplies

Applied Filters: