Skip to main content

Features

  • 8-bit resolution
  • CMOS/TTL compatible digital inputs and outputs
  • DC sampling allowed
  • External reference voltage regulator
  • High signal-to-noise ratio over a large analog input frequency range (7.3 effective bits at 4.43 MHz full-scale input at fclk = 40 MHz)
  • Low analog input capacitance, no buffer amplifier required
  • No sample-and-hold circuit required
  • Operation between 2.7 V and 5.5 V
  • Power dissipation only 30 mW (typical value)
  • Sampling rate up to 40 MHz
  • Sleep mode (4 mW)

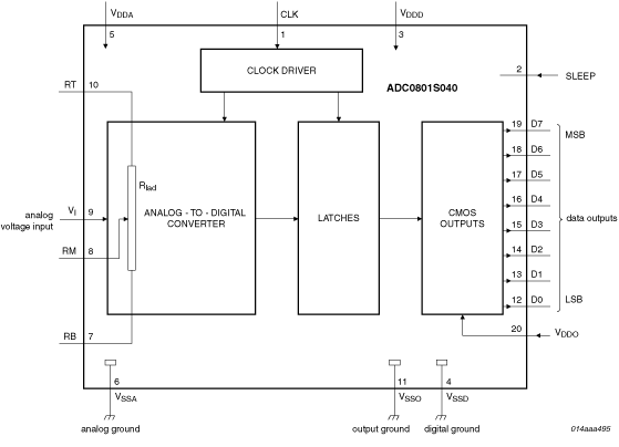
Description

The ADC0801S040 is an 8-bit universal analog-to-digital converter (ADC) for video and general purpose applications. It converts the analog input signal from 2.7 V to 5.5 V into 8-bit binary-coded digital words at a maximum sampling rate of 40 MHz. All digital inputs and outputs are CMOS/Transistor-Transistor Logic (TTL) compatible. A sleep mode allows reduction of the device power consumption to 4 mW.

Applied Filters: