Skip to main content

Features

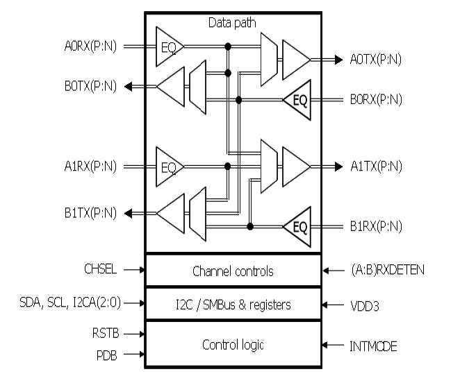
  • 4 channel PCIe Gen2 signal repeater
  • Advanced signal conditioning features
  • Advanced diagnostic features
  • Advanced power saving features
  • Built-in mux/demux for Fail-Over support
  • I2C programming interface
  • Commercial and Industrial temperature

Description

The IDT 89HP0504U 4-channel USB 3.0 Repeater offers the industry a blend of top analog performance, lower power, and the most system level features in signal repeaters optimized for demanding 5Gbps applications in computing, storage, and communications.

Applied Filters: