Skip to main content

Features

  • Supports clock frequencies up to 83MHz
  • Fast access times of 8ns
  • Free-running CLKA and CLKB may be asynchronous or coincident (simultaneous reading and writing of data on a single clock edge is permitted)
  • Two independent clocked FIFOs buffering data in opposite directions
  • Mailbox bypass register for each FIFO
  • Programmable Almost-Full and Almost-Empty flags
  • Microprocessor Interface Control Logic
  • Available in 132-pin PQFP and 120-pin TQFP packages
  • Pin compatible to the lower density 7236x2 devices
  • Industrial temperature range (–40C to +85C) is available

Description

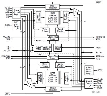
The 723672 is a Bidirectional SyncFIFO (clocked) memory. Two independent 8,192 x 36 dual-port SRAM FIFOs on board each chip buffer data in opposite directions. Communication between each port may bypass the FIFOs via two 36-bit mailbox registers. The clocks for each port are independent of one another and can be asynchronous or coincident. The enables for each port are arranged to provide a simple bidirectional interface between microprocessors and/or buses with synchronous control.

Applied Filters: