Skip to main content
Renesas Electronics Corporation

Features

  • Serial programming: Feedback and reference divisors, VCO gain, phase comparator gain, relative phase and test modes.
  • Supports high-resolution graphics - Differential CLK out-puts to 230 MHz
  • Eliminates need for multiple ECL output voltage controlled crystal oscillators and external components
  • Fully-programmable synthesizer capability - not just a clock multiplier
  • Line-locked clock generation capability
  • 15 - 100 kHz
  • External feedback loop capability allows graphics system to be used as the feedback divisor with synchronous switchover to internal feedback
  • Small footprint 24-pin SOIC
  • Coarse and fine phase adjustment permits precise clocking in video recovery application

Description

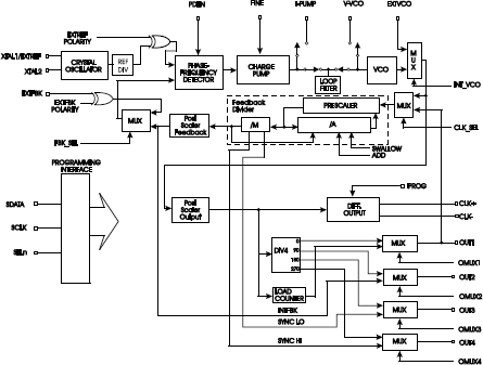
The 1522 is a very high performance monolithic phaselocked loop (PLL) frequency synthesizer. Utilizing ICS's advanced CMOS mixed-mode technology, the 1522 provides a low-cost solution for high-end video clock generation where synchronization to an external video source is required. The 1522 has differential video clock outputs (CLK+ and CLK-) that are compatible with industry standard video DAC. Operating frequencies are fully programmable with direct control provided for reference divider, feedback divider and postscaler.

Applied Filters: