Skip to main content
NOTICE - The following device(s) are recommended alternatives:
NRND - No Recommended Replacements Available - NRND
ISL29501 is not recommended for new designs and has no alternative product available.

Features

  • Enables proximity detection and distance measurement
  • Modulation frequency of 4.5MHz
  • Emitter DAC with programmable current up to 255mA
  • Operates in Continuous and Single Shot mode
  • On-chip active ambient light rejection
  • Auto gain control mechanism
  • Interrupt controller
  • Supply voltage range of 2.7V to 3.3V
  • I2C interface supporting 1.8V and 3.3V bus
  • Low profile 24 Ld 4x5 QFN package

Description

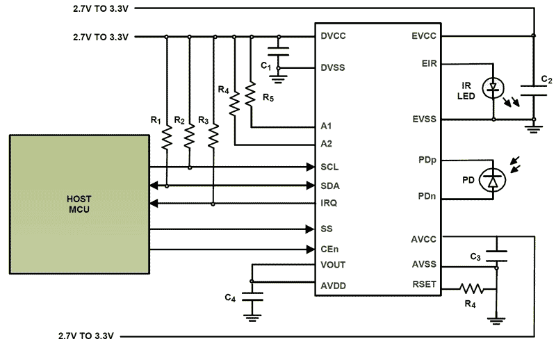
The ISL29501 is a Time of Flight (ToF) based signal processing integrated circuit. The sensor enables low cost, low power, and long range optical distance sensing when combined with an external emitter and detector. The ISL29501 has a built-in current DAC circuit that drives an external LED or laser. The modulated light from the emitter is reflected off the target and is received by the photodiode. The photodiode then converts the returned signal into current, which is used by the ISL29501 for signal processing. An on-chip Digital Signal Processor (DSP) calculates the time of flight, which is proportional to the target distance. The ISL29501 is equipped with an I2C interface for configuration and control. Use of an external photodiode and emitter allows the user to optimize the system design for performance, power consumption, and distance measurement range that suit their industrial design. The ISL29501 is wavelength agnostic and permits the use of other optical wavelengths if better suited for applications.

Applications

  • Precise long-range distance measurement
  • Drone / robot collision avoidance and soft landings
  • Industrial automation
  • Car parking sensors
  • Gate and door sensors
  • Silo level monitoring
  • Intermodal and ocean container cargo loading sensors
  • Human presence detection and obstacle avoidance
  • Smart homes and offices
  • Smart appliances, toilets and fixtures
  • Smart kiosks
  • People counting

Applied Filters: