Skip to main content
Renesas Electronics Corporation

Features

  • 5A single channel complete power supply
  • Integrates controller, MOSFETs and inductor
  • Pin/function compatible with the 3A ISL8202M
  • 2.6V to 5.5V input voltage range
  • Adjustable output voltage range
  • As low as 0.6V with ±1.6% accuracy over line/load/temperature
  • Up to 95% efficiency
  • Default 1.8MHz current mode control operations
  • 680kHz to 3.5MHz resistor adjustable
  • External synchronization up to 3.5MHz
  • Selectable light-load efficiency mode
  • 100% duty cycle LDO mode
  • Programmable soft-start
  • Soft-stop output discharge
  • Dedicated enable pin and power-good flag
  • UVLO, over-temperature, overcurrent, overvoltage and negative overcurrent protections
  • Overcurrent/short-circuit hiccup mode
  • 4.5mmx7.5mmx1.85mm 22 Ld QFN package

Description

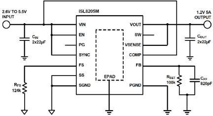
The ISL8205M power module is a single channel synchronous step-down complete power supply, capable of delivering up to 5A of continuous current. Operating from a single 2.6V to 5.5V input power rail and integrating controller, power inductor and MOSFETs, the ISL8205M only requires a few external components to operate and is optimized for space constrained and portable battery operated applications. Based on current mode PWM control scheme, the ISL8205M provides a fast transient response and excellent loop stability as well as a very low duty cycle with an adjustable output voltage as low as 0.6V and better than 1.6% accuracy over line and load conditions. Operation frequency is selectable through an external resistor, with a 1.8MHz default setting, or may be synchronized with an external clock signal up to 3.5MHz. The ISL8205M also implements a selectable PFM mode to improve light-load efficiency and a 100% duty cycle LDO mode to extend battery life. A programmable soft-start reduces the inrush current required from the input supply while an automatic output discharge ensures a soft stop. Dedicated enable pin and power-good flag allow for easy system power rails sequencing. An array of protection features, including input Undervoltage Lockout (UVLO), over-temperature, overcurrent/short-circuit with hiccup mode, overvoltage and negative overcurrent, guarantees safe operations under abnormal operating conditions. The ISL8205M is available in a compact RoHS compliant 22 Ld 4.5x7.5x1.85mm QFN package.

Applied Filters: