Skip to main content
Renesas Electronics Corporation

Features

  • Advanced, linear, digital modulation scheme
  • Zero latency, synthetic current control for excellent high-frequency current balance
  • Auto phase add/drop for excellent load vs efficiency profile
  • Excellent Dynamic Voltage Identification (DVID) performance
  • Dual edge modulation for faster transient response
  • Flexible phase assignment from 0 to 4 phases per output
  • Up to 1MHz operation for high-density designs
  • Diode braking for overshoot reduction
  • Diode emulation for enhanced light-load efficiency
  • Differential remote voltage sensing supports ±0.5% closed-loop system accuracy over load, line, and temperature
  • Highly accurate current sensing for excellent load-line regulation and accurate OCP
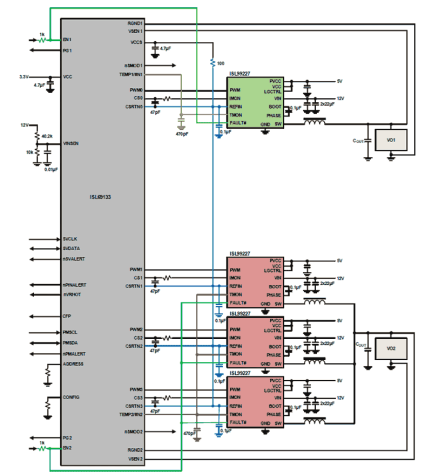
  • Supports ISL99227 60A smart power stages
  • Supports DCR sense with integrated temperature compensation
  • Supports external input current sense required for NVDIMM
  • Comprehensive fault management enables high-reliability systems
  • Pulse-by-pulse phase current limiting
  • Total output current protection
  • Output and input OV/UV protection
  • Open voltage sense detect
  • Black box recording capability for faults
  • Configurable Catastrophic Failure Protection (CFP) flag output
  • Intuitive configuration using PowerNavigator
  • SMBus/PMBus v1.3 compatible
  • Up to 2MHz bus interface
  • NVM to store up to 8 configurations
  • Pb-free (RoHS compliant)

Description

The ISL69133 is a digital, dual output, flexible, multiphase (X+Y ≤ 4) PWM controller designed to be compliant with Intel VR13/IMVP8 specifications. The digital multiphase controller can be configured to support any desired phase assignments up to a maximum of four phases across the two outputs (X and Y). For example, 3+1, 2+2, or even single output operation as a 4+0 configuration, are supported. With a flexible X+Y ≤ 4-phase assignment, PMBus, and SerialVID (SVID) interfaces, the ISL69133 is ideal for controlling the microprocessor core, memory, and system rails of Intel VR13/IMVP8 platforms. The ISL69133 uses the Renesas proprietary, digital, linear, synthetic, current modulation scheme to achieve the industry’s best combination of transient response and ease-of-tuning while addressing the challenges of powering the latest generation of Intel microprocessors. Device configuration and telemetry monitoring are accomplished using the intuitive Renesas PowerNavigator™ software. Diode emulation and automatic phase add/drop features allow the user to extract maximum efficiency from the converter regardless of load conditions. The ISL69133 supports a comprehensive fault management system to enable the design of highly reliable systems. From an overcurrent protection scheme, including peak and average detection, to the configurable power-good and catastrophic fault protection flags, any need is accommodated. With minimal external components, the ability to store eight configurations, robust fault management, and highly accurate regulation capability, implementing a high-performance, multiphase regulator has never been easier.

Applied Filters: