Features
- 10W – 12W Output Power
- AccuSwitch™ - Integrated 800V Power BJT
- PrimAccurate™ Primary-Side Control
- No Optocoupler Needed
- Intelligent Digital Control Loop for Accurate Voltage Cross-Regulation
- Meets Global Energy Efficiency Standards
- <50mW No-Load Power Consumption
- Quasi-resonant Control for Optimal Efficiency
- Adaptively Controlled Soft Start-up
- Fast, Smooth Start-up Into Large Capacitive Loads
- EZ-EMI™ Design to Easily Meet Global EMI Specifications
- Fully Protected from Fault Conditions:
- Over-Temperature Protection
- Output Overvoltage and Overcurrent
- Sense-Resistor Short Circuit Protection Application
- Thermally Efficient PDIP-7 Package to Support High Power
Description
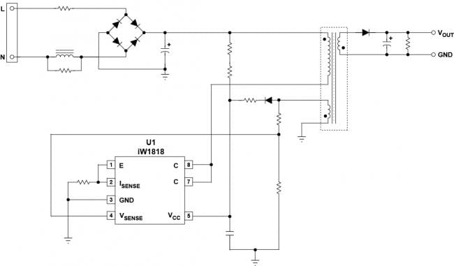
The iW1818 AccuSwitch™ digital PWM converter integrates a highly accurate control circuit with an 800V bipolar junction transistor (BJT) power switch to provide a complete solution for off-line power conversion at up to 12W of output power.
Renesas' PrimAccurate™ primary-side digital control algorithms eliminate the need for failure-prone optocouplers and ensure excellent cross-regulation accuracy, to enable the longer operating lifetime, high performance and reduced cost required for white goods applications.
The output is designed to smoothly start-up into large capacitors while maintaining a quick turn-on time. It operates in quasi-resonant mode to optimize efficiency and incorporates a low-power mode that achieves <50mW of no-load power consumption to meet global energy efficiency regulations. Additional features include full protection from over-temperature, overvoltage and overcurrent conditions as well as EZ-EMI® technology to easily meet global EMI specifications.
A DiaSIM™ simulation model is available for the iW1818. For more information and where to download, please visit the DiaSIM page.
Parameters
Attributes | Value |
---|---|
Topology Characteristic | Flyback |
Control Mode | Primary-Side Regulation Peak Current Mode DCM |
UVLO Rising (V) | 14.5 |
UVLO Falling (V) | 4.4 |
VBIAS (Max) (V) | 20 |
PWMs (#) | 1 |
Output Power Max (W) | 12 |
Switching Frequency (KHz) | 72 - 72 |
No Load Power (mW) | 50 |
Controller / Integrated | Integrated |
Advanced Features | AccuSwitch, EZ-EMI, PrimAccurate |
Simulation Model Available | diaSIM |
Temp. Range (°C) | -40 to +125°C |
Qualification Level | Standard |
Package Options
Pkg. Type | Lead Count (#) |
---|---|
PDIP-7L | 7 |
Application Block Diagrams
|
3‑Phase AC Motor Soft Start
A phase-cut soft starter smoothly ramps up 3-phase AC motors and simplifies wiring with relay bypass.
|
Additional Applications
- Networking Power for ADSL, Wireless Access Points and Routers
- Home Appliances
- Set-Top Boxes
- DiaSIM™ Simulation Model Available
Applied Filters: