Skip to main content

Features

  • Wide input voltage range from 4.5V to 28V
  • Adjustable output voltage with continuous output current up to 3A
  • Current mode control
  • Adjustable switching frequency from 300kHz to 2MHz
  • Independent power-good detection
  • Selectable In-phase or out-of-phase PWM operation
  • Independent, sequential, ratiometric or absolute tracking between outputs
  • Internal 2ms soft-start time
  • Overcurrent/short circuit protection, thermal overload protection, UVLO
  • Boot undervoltage detection
  • Qualified for automotive applications
  • Pb-Free (RoHS compliant)

Description

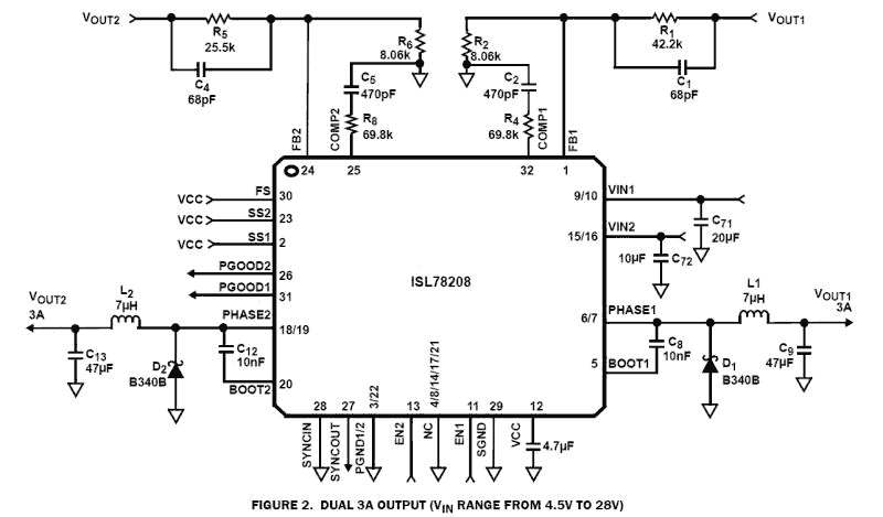
The ISL78208 is a dual standard buck regulator capable of 3A per channel with continuous output current. With an input range of 4. 5V to 28V, it provides a high frequency power solution for a variety of point of load applications. The PWM controller in the ISL78208 drives an internal switching N-Channel power MOSFET and requires an external Schottky diode to generate the output voltage. The integrated power switch is optimized for excellent thermal performance up to 3A of output current. The PWM regulator switches at a default frequency of 500kHz and it can be user programmed or synchronized from 300kHz to 2MHz. The ISL78208 utilizes peak current mode control to provide flexibility in component selection and minimize solution size. The protection features include overcurrent, UVLO and thermal overload protection. The ISL78208 is available in 5mmx5mm 32 Ld Wettable Flank Quad Flat Pb-free (WFQFN) package. The ISL78208 is rated for the automotive temperature range (-40°C to +105°C).

Parameters

Attributes Value
Topology [Rail 1] Buck
Outputs (#) 2
Input Voltage (Min) [Rail 1] (V) 4.5
Input Voltage (Max) [Rail 1] (V) 28 - 28
Output Voltage (Min) [Rail 1] (V) 0.8
Output Voltage (Max) [Rail 1] (V) 26
Output Current (Max) [Rail 1] (A) 3
Switching Frequency Range (Typical) (kHz) 300 - 2000
Control Type Current Mode
Peak Efficiency (%) 92
IQ [Rail 1] (µA) 1200
SYNCH Capability Yes
Qualification Level Automotive
Temp. Range (°C) -40 to +105°C

Package Options

Pkg. Type Pkg. Dimensions (mm) Lead Count (#) Pitch (mm)
WFQFN 5.0 x 5.0 x 0.85 32 0.5

Application Block Diagrams

Low-End Camera Monitoring System Block Diagram
Low-End Camera Monitoring System
A cost-effective, low-end camera monitoring system optimizes brightness with an MCU optical sensor and video processor.
Connected Android Cluster Block Diagram
Connected Android-Based Vehicle Instrument Cluster
Android-based automotive cockpit with wireless connectivity and real-time displays.
Vehicle Control Unit Block Diagram
Vehicle Control Unit
The vehicle control unit supports SOA, and zonal architecture, offers multi-core performance, and FuSa compliance.
Zone-ECU Virtualization Solution Platform Block Diagram
Zone-ECU Virtualization Solution Platform
Zone-ECU virtualization platform integrates virtual ECUs on one physical unit, reducing costs and enabling secure designs.

Additional Applications

  • DSP and embedded processor power supply
  • Infotainment system power

Applied Filters: