Skip to main content

Features

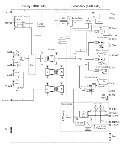
  • On-chip Micro Isolator (isolated circuit)
    • High voltage isolation: 2500VRMS
    • High Common Mode Rejection (CMR: over 35kV/us
  • High output gate drive circuit
    • Gate drive output resistance: 1.0 Ohm max (IGBT parallel connection available)
    • On-chip active Miller clamp function
    • On-chip soft turn-off function
  • Various on-chip protection circuits
    • IGBT emitter current detection circuit: 2 channels
    • Over current detection (Vth : 0.25 V typ.), short circuit detection(Vth: 0.5 V typ.)
    • Over current detection function can be enabled/disabled (SEL pin)
    • IGBT temperature detection circuit: 2 channels
    • On-chip under voltage lockout circuit
      • VCC1 (5 V primary side): 4.1 V typ.
      • VCC2 (15 V secondary side): 10 V typ.
    • On-chip over temperature protection circuit (200 ℃)
    • FAULT feedback with adjustable FAULT hold time by the external capacitor
  • Operating temperature: - 40 to 125 ℃ (junction temperature: 150 ℃ max)

Description

The R2A25110KSP is a single channel IGBT gate-drive IC and suitable for high voltage inverter application. The Micro Isolator with the coreless transformer structure is adopted for data transfer with high voltage isolation between the primary circuit (MCU side) and the secondary circuit (IGBT side).

This device contains IGBT gate drive circuit, Miller clamp circuit, soft turn-off circuit as well as several types of protection circuits such as IGBT temperature detection. This device also supports driving parallel IGBTs.

Application Block Diagrams

X-in-1 Electric Vehicle Unit: 48V Inverter, Onboard Charger, DC/DC Converter Interactive Block Diagram
X-in-1 Electric Vehicle Unit
Integrated X-in-1 EV power system for efficient motor control, charging, and DC/DC conversion.
DC Fast Charging Station for Electric Vehicles Block Diagram
DC Fast Charging Station for Electric Vehicles
DC fast charging station design with high‑efficiency IGBTs, gate drivers, an MCU, and PMIC.
xEV Inverter Solution with Inductive Position Sensor (IPS) Block Diagram
xEV Inverter with Inductive Position Sensor (IPS)
This cost-efficient xEV inverter system with IPS offers high accuracy, noise immunity, and reduced BOM.
Motor Generator System Block Diagram
Motor Generator System
High-performance xEV motor control design with ASIL C support, lock-step CPUs, and reduced BOM cost.
Automotive Monitoring Function Extension for Motor Control System Block Diagram
Automotive Monitoring Function Extension
Compact CMIC-based system for integrating motor monitoring and protection functions in automotive systems.
xEV Inverter Reference Solution Block Diagram
xEV Inverter
Compact, efficient xEV inverter design with advanced calibration tools and proven 100kW motor performance.

Additional Applications

  • Main inverters for EV/HEV in automotive applications
  • Converters for EV/HEV in automotive applications
  • Inverters and converters for industrial instruments

Applied Filters:

Discover the reference solution to build world’s smallest 100KW class inverter for electric vehicles.