Features
- Enhanced N-channel FET with no inherent diode to VCC
- 5Ω bidirectional switches connect inputs to outputs
- Zero propagation delay, zero added ground bounce
- Undershoot clamp diodes on all switch and control inputs
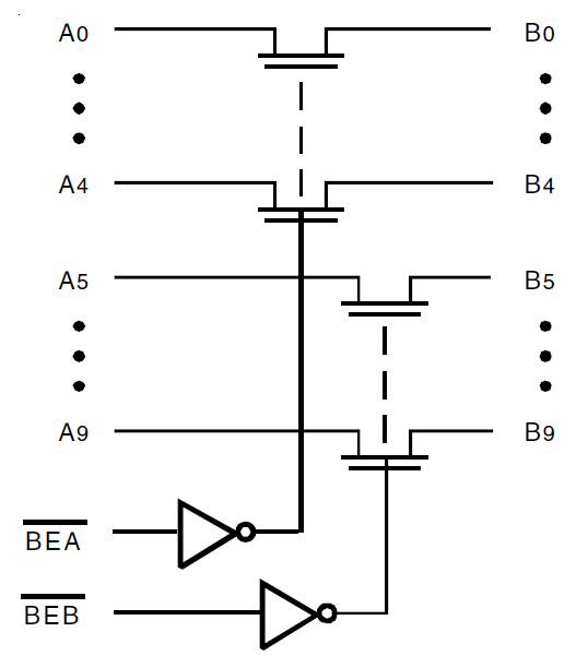
- Two enables control five bits each
- Available in 24-pin QSOP and TSSOP packages
Description
The QS3384 provides a set of 10 high-speed CMOS, TTL-compatible bus switches. The low ON-resistance of QS3384 allows inputs to be connected to outputs without adding propagation delay and without generating additional ground bounce. Two banks of five switches are controlled by independent Bus Enable (BE) signals. The QS3384 operates at -40 °C to +85 °C.
Parameters
| Attributes | Value |
|---|---|
| Function | Bus Switch |
| Pkg. Code | PCG24 |
| Temp. Range (°C) | -40 to 85°C |
| Bus Width (bits) | 10 |
| Core Voltage (V) | 5 |
| On Resistance (Ω) | 5 |
| Speed Grade | Standard |
Package Options
| Pkg. Type | Pkg. Dimensions (mm) | Lead Count (#) | Pitch (mm) |
|---|---|---|---|
| QSOP | 8.7 x 3.8 x 1.47 | 24 | 0.64 |
Applications
- Hot-swapping, hot-docking
- Voltage translation (5V to 3.3V)
- Power conservation
- Capacitance reduction and isolation
- Bus isolation
- Clock gating
Applied Filters: