メインコンテンツに移動
ルネサス エレクトロニクス株式会社 (Renesas Electronics Corporation)

特長

  • Rapid-control architecture enables operation with a high input/output voltage ratio (e.g., VIN = 19V and VOUT = 0.8V) and small output capacitance
  • Adjustable output voltage from 0.8V to 5.5V
  • Universally compatible with most output capacitors – stable with zero to high ESR
  • Power good (PG) output
  • Foldback current limiting and "hiccup" mode short-circuit protection
  • Safe start-up into pre-biased loads
  • Ultra-light load efficiency – up to 80% at 10mA
  • Up to 95% efficiency
  • Feedback reference accuracy as high as ±1%

説明

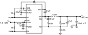
The ZSPM4022-09 is a constant-frequency, synchronous DC/DC buck regulator featuring adaptive on-time control architecture. The ZSPM4022-09 operates over a 4.5V to 19V supply range (12V typical). It has an internal linear regulator that provides a regulated 5V to power the internal control circuitry. The ZSPM4022-09 operates at a constant 600kHz (typical) switching frequency in continuous-conduction mode and can be used to provide up to 9A of output current. The output voltage is adjustable from 5.5V down to 0.8V.

Under medium to heavy loads, the ZSPM4022-09 provides high efficiency and ultra-fast transient response via its rapid-control architecture. Under light load conditions, it maintains high efficiency and a superior transient response by transitioning to variable-frequency, discontinuous mode operation with its ultra-light-load architecture.

The ZSPM4022-09 offers a full suite of protection features to ensure protection of the IC during fault conditions. These include under-voltage lockout to ensure proper operation under power-sag conditions; thermal shutdown; internal soft-start to reduce inrush current; foldback current limiting; and "hiccup" mode short-circuit protection. The ZSPM4022-09 includes a power good (PG) output to allow simple sequencing.

適用されたフィルター