メインコンテンツに移動

特長

  • Buck-boost NVDC charger for 1-, 2-, 3-, or 4-cell Li-ion batteries
  • Input voltage range 3.2V to 23.4V (no dead zone)
  • System output voltage 2.4V to 18.304V
  • Autonomous charging option (automatic end of charging)
  • System power monitor PSYS output, IMVP compliant
  • Up to 1MHz switching frequency
  • Adapter current and battery current monitor (AMON/BMON)
  • PROCHOT# open-drain output, IMVP compliant
  • Allows trickle charging of depleted battery
  • Ideal diode control in Turbo mode
  • Reverse buck, boost, and buck-boost operation from battery
  • Two-level adapter current limit available
  • Battery Ship mode option
  • SMBus and auto-increment I2C compatible
  • 4x4 32 Ld TQFN package

説明

Support is limited to customers who have already adopted these products.

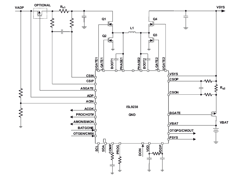
The ISL9238A is a buck-boost Narrow Output Voltage DC (NVDC) charger. The ISL9238A provides the NVDC charging function, system bus regulation, and protection features for tablet, ultrabook, notebook, power bank, and any USB-C interface platform. Intersil’s advanced R3™ Technology is used to provide high light-load efficiency and fast transient response. In Charging mode the ISL9238A takes input power from a wide range of DC power sources (conventional AC/DC charger adapters, USB PD ports, travel adapters, etc. ) and safely charges battery packs with up to 4-series cell Li-ion batteries. As a NVDC topology charger, it also regulates the system output to a narrow DC range for stable system bus voltage. The system power can be provided from the adapter, battery, or a combination of both. The ISL9238A can operate with only a battery, only an adapter, or both connected. For Intel IMVP8 compliant systems the ISL9238A includes PSYS (System power monitor) functionality, which provides an analog signal representing total platform power. The PSYS output connects to a wide range of Intersil IMVP8 core regulators to provide an IMVP8 compliant power domain function. The ISL9238A supports reverse buck, boost, or buck-boost operation to the input port from 2- to 4-cell batteries. The ISL9238A has serial communication using SMBus/I2C that allows programming of many critical parameters to deliver a customized solution.

適用されたフィルター