メインコンテンツに移動
ルネサス エレクトロニクス株式会社 (Renesas Electronics Corporation)

デザイン・トポロジ

より早く、より簡単に電源回路にふさわしいパワーデバイス(IGBT)を見つけることができます。パワーデバイスは電源やモータ駆動など幅広い用途で使用されます。
産業分野向けに、より信頼性の高い製品をラインアップしており、ルネサスは様々な設計回路に適した製品をご提案いたします。

トポロジからパワーデバイスを探す

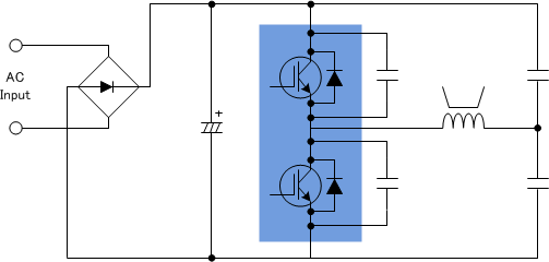
シングルPFC

Single PFC

2相インターリーブ・PFC

 2-Phase Interleaved PFC

ブリッジレス・PFC

Bridgeless PFC

電圧共振回路

Volatage Resonance Circuit

ハーフブリッジ・インバータ

Half bridge Inverter

フルブリッジ・インバータ

Full bridge Inverter

3相インバータ (モータ用)

Half bridge converter

ブースト・コンバータ

Boost converter

フルブリッジ・コンバータ

Full bridge converter

ハーフブリッジ・コンバータ

Half bridge converter

部分SW・PFC

Part SW PFC

電流共振回路

Current Resonance Circuit

NPC 3レベル・インバータ

NPC 3-Level Inverter

A-NPC 3レベル・インバータ

 A-NPC 3-Level Inverter