メインコンテンツに移動
ルネサス エレクトロニクス株式会社 (Renesas Electronics Corporation)

特長

  • Synchronous rectifier control outputs with adjustable delay/advance
  • Adjustable average current signal
  • 3% tolerance cycle-by-cycle peak current limit
  • Fast current sense to output delay
  • Adjustable oscillator frequency up to 2MHz
  • Adjustable dead time control
  • Voltage- or current-mode operation
  • Separate RAMP and CS inputs for voltage feed-forward or current-mode applications
  • Tight tolerance error amplifier reference over line, load, and temperature
  • 175μA start-up current
  • Supply UVLO
  • Adjustable soft-start
  • 70ns leading edge blanking
  • Multipulse suppression
  • Internal over-temperature protection
  • Pb-free (RoHS compliant)

説明

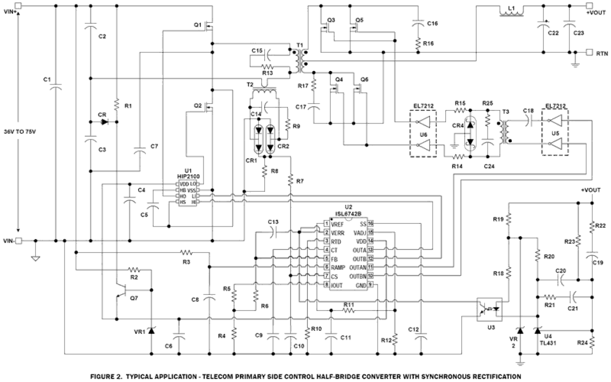
The ISL6742B is a high-performance double-ended PWM controller with advanced synchronous rectifier control and current limit features. It is suitable for both current- and voltage-mode control methods. The ISL6742B includes complemented PWM outputs for Synchronous Rectifier (SR) control. The complemented outputs may be dynamically advanced or delayed relative to the main outputs using an external control voltage. Its advanced current sensing circuitry employs sample and hold methods to provide a precise average current signal. Suitable for average current limiting, a technique which virtually eliminates the current tail-out common to peak current limiting methods, it is also applicable to current sharing circuits and average current mode control. This advanced BiCMOS design features an adjustable oscillator frequency up to 2MHz, internal over-temperature protection, precision dead time control and short propagation delays. Additionally, multipulse suppression ensures alternating output pulses at low duty cycles where pulse skipping may occur.

アプリケーション

  • Half-bridge, full-bridge, interleaved forward, and push-pull
  • converters
  • Telecom and datacom power
  • Wireless basestation power
  • File server power
  • Industrial power systems

適用されたフィルター