メインコンテンツに移動
ルネサス エレクトロニクス株式会社 (Renesas Electronics Corporation)

特長

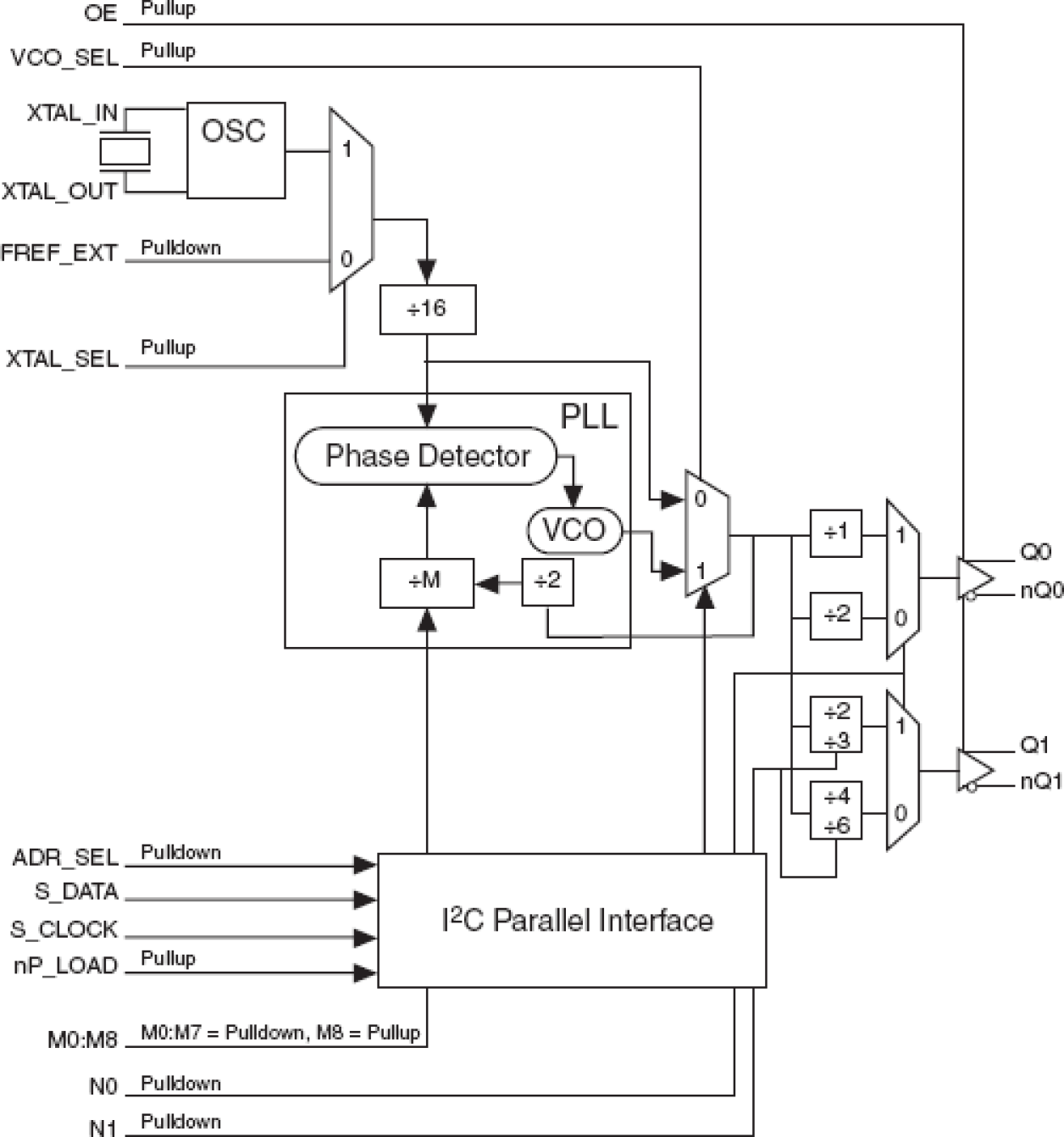
  • Fully integrated PLL, no external loop filter requirements
  • Two differential 3.3V LVPECL output pairs
  • Crystal oscillator interface: 10MHz to 25MHz
  • Output frequency range: 41.67MHz to 700MHz
  • VCO range: 250MHz to 700MHz
  • Parallel or I2C interface for programming M and N dividers during power-up
  • Supports Spread Spectrum Clocking (SSC) Center spread: selectable ±0.5%, ±1.0%, ±1.5%, ±2% Up/Down spread: selectable ±0.5%, ±1.0%, ±1.5%, ±2%, 2.5%, 3.%, 3.5%, 4%
  • RMS period jitter: 9ps (maximum)
  • Cycle-to-cycle jitter: 40ps (maximum)
  • 3.3V supply voltage
  • 0°C to 70°C ambient operating temperature
  • Available in lead-free (RoHS 6) package

説明

The 84330B-03 is a general purpose, dual output high frequency synthesizer. The VCO operates at a frequency range of 250MHz to 700MHz. The VCO and output frequency can be programmed using the I2C interface. The output can be configured to divide the VCO frequency by 1, 2, 3, 4, and 6. Additionally, the device supports spread spectrum clocking (SSC) for minimizing Electromagnetic Interference (EMI). The low cycle-cycle jitter and broad frequency range of the 84330B-03 make it an ideal clock generator for a variety of demanding applications which require high performance.

適用されたフィルター