メインコンテンツに移動
ルネサス エレクトロニクス株式会社 (Renesas Electronics Corporation)

概要

説明

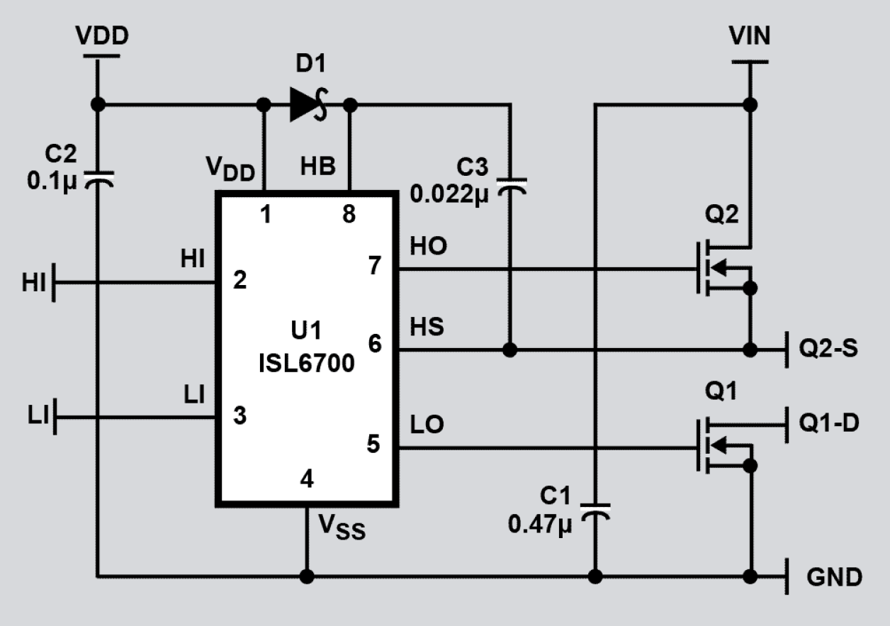
The ISL6700EVAL1Z evaluation board enables rapid construction of an isolated DC/DC converter in several configurations. The board consists of the ISL6700 half-bridge driver IC, two IRFR120 MOSFETs, a bootstrap diode, a bootstrap capacitor, and two input voltage decoupling capacitors. The ISL6700 can operate at frequencies in excess of 500kHz and has typical propagation delay times of 30ns. It has 1.25A of output drive capability and can switch an IRFR120 load with rise and fall times of less than 20ns.

特長

  • Three application configurations:
    • Two-switch forward converter
    • Half-bridge converter
    • Active-clamp forward converter
  • Drives two N-channel MOSFETs in half-bridge configuration
  • Space saving SO8 and low RC-S QFN packages
  • Phase supply max voltage to 80VDC
  • Bootstrap supply max voltage to 96VDC
  • Drives 1000pF load with rise and fall times Typ. 15ns
  • TTL/CMOS compatible input thresholds
  • Independent inputs for non-half-bridge topologies
  • No start-up problems
  • Low power consumption
  • Wide supply range
  • Supply undervoltage protection

アプリケーション

ドキュメント

製品選択

適用されたフィルター

サポート

サポートコミュニティ

サポートコミュニティ

ルネサスエンジニアリングコミュニティの技術スタッフから迅速なオンライン技術サポートを受けることができます。
記事を参照する

ナレッジベース

ナレッジベースを参照して、役立つ記事、FAQ、その他の役立つリソースを入手してください。
サポートチケット

サポートチケット

技術的に深い内容や公開したくない内容のご質問はこちらです。