初めてマイコンを使う方でも簡単にゲームを作れる手順をご紹介します。 RL78マイコンには、安くて簡単に開発できる環境が準備されています。 今回は、RL78/G23のFast Prototyping Board(FPB)を使用して、モグラつかみゲームを作ってみました!
最初に、モグラつかみゲームについて説明します。7 seg LEDの各セグメントを一定時間間隔でランダムに光らせ、ドット (decimal point) が光ったタイミングを狙ってボタンを押します。ドット表示で停止させると、モグラつかみが成功です(図1)。
モグラつかみゲームに必要な部材は、お気に入りの通販サイトなどから入手してくださいね。
必要な部材:
- ブレッドボード
- 1桁7 seg LED
- LED (青色、赤色)
- タクトスイッチ
- 抵抗120Ω
- シンク型トランジスタアレイ
- ジャンプワイヤ
- micro USB Type-B
- FPB (RL78/G23 64pin)
統合開発環境(IDE)
次に、開発ツールを準備しましょう。次のブログを見ながら、開発ツールをインストールしてください。
統合開発環境ブログ:【マイコン初心者必見】RL78で開発を始めよう!① | Renesas
参考までに、私は、初心者にもわかり易いCS+を選択しました。
周辺機能
モグラつかみゲームのプログラミングで使用したRL78/G23の周辺機能について簡単にご紹介します。
- ポート機能
7 seg LEDを光らせるために使用します。 - タイマ・アレイ・ユニット(TAU)
一定時間ごとに割り込みを発生させて 7seg LEDの点灯間隔を調整します。 - 真性乱数発生器
7 seg LEDを不規則に光らせるために使用します。
作成手順
それでは、以下の手順でゲームを作成していきましょう。
- コードをダウンロードします。
私がC言語で作成したコードを以下のURLからダウンロードして下さい。
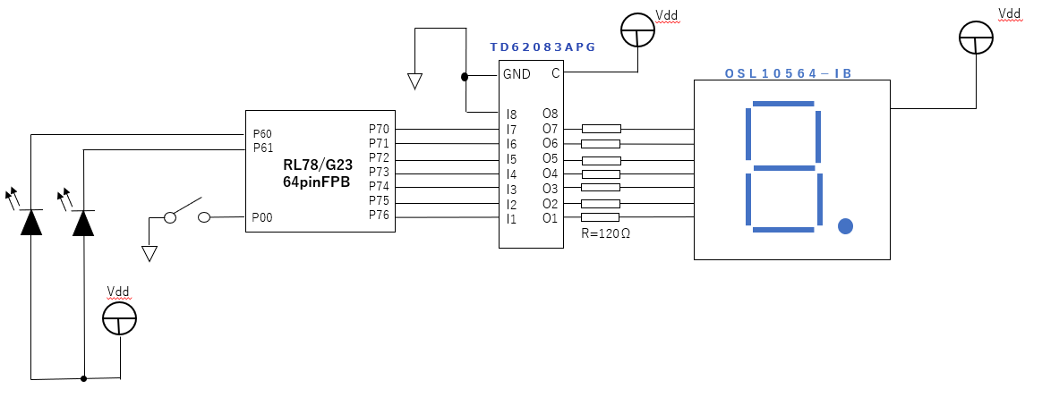
コード:マイコンを使ってゲームを作ろう!① - サンプルプログラム等 - Renesas Community - 回路図(図2)のとおり、配線していきます。(図3、4)
今回のゲームの仕様では、ゲーム成功で青色LEDが、ゲーム失敗で赤色LEDが点灯する様になっています。(図2) (図3、4) - FPBにジャンパ線を繋ぎます。(図5、6)
FPBの端子配置は、以下サイトにある「RL78/G23-64p Fast Prototyping Board ユーザーズマニュアル」の16 ~ 18ページを参考にしてください。
RL78/G23-64p Fast Prototyping Board ユーザーズマニュアル Rev.1.10 (renesas.com)(図5) (図6) - USBケーブルをPCとマイコンに繋ぎます。(図7)
(図7) - CS+でデバッグを行います。(図8)先ほどダウンロードしたコードをデバッグして下さい。
(図8) - プログラムを実行させます。
デバッグ後、プログラムを実行させてください。(図9) デバッグ時に、マイコンにプログラムが書き込まれます。一度デバッグを行ったプログラムはマイコンに書き込まれているので、次回以降は、CS+でデバッグを行わなくても、電源を供給するだけで動作させることが出来ます。しかし、PCを使用せず、マイコン単体で動作させる場合には、書き込みソフトウェア(RFP等)を使用して、改めてプログラムを書き込んでください。(図9) - 正常に動作しました
以上で、ゲーム作成は終了です。
FPBとブレッドボードを使用すると、USB1本でPCと接続できるし、半田付け作業もしなくて良い。本当に、FPBとブレッドボードは、オススメです。電子工作に興味のあるかたは、RL78マイコンを使って簡単に工作してみましょう。
参考:Fast Prototyping Board for RL78 Family
モグラつかみゲームを製作するにあたって、参考とさせて頂いた方のURLを以下に記載しています。こちらも是非ご覧ください!
松田工作の親子で電子工作:松田工作の親子で電子工作 (matsutakousaku.blogspot.com)














