Skip to main content
Renesas Electronics Corporation

Features

  • Supports Qualcomm Quick Charge 3.0 technology High Voltage Dedicated Charging Port (HVDCP) to provide VBUS from 3.6V to 12V in 200mV increments
  • Double-layer cable protection:
    • Secondary side (iW636): Proprietary D+/D- overvoltage protection (OVP) addresses VBUS D+/Dsoft shorts
    • Primary side (iW1782 or iW1780H): SmartDefender™ smart hiccup technology reduces average output power at fault conditions without latch
  • Proprietary secondary-to-primary digital communication eliminates discrete decoders in the primary side and simplifies system designs
  • Single optocoupler transmits all information for rapid charge: Output voltage requests, output current limits, output voltage undershoot (UV), overvoltage protection (OVP), and fault and reset signals
  • Adaptive OVP/UV detection for most VBUS levels
  • Backward compatible with QC2.0 and USB Battery Charging Specification Revision 1.2 (USB BC1.2)
  • Pin-to-pin compatible with iW626
  • Programmable active fast discharge from a high voltage VBUS level to 5V at mobile device unplug or upon request with built-in switch or external switch
  • Normally OFF state with <150µA cut-off current during 5V steady-state operation to achieve <10mW overall system no-load power consumption
  • Wide operating voltage range from 3V to 16V
  • Built-in optocoupler LED driver with a minimum driving current of 2mA

Description

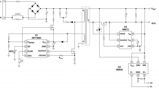
The iW636 is a Rapid Charge™ secondary-side controller for USB interface supporting Qualcomm® Quick Charge™ 3.0 (QC3.0) technology and secondary-to-primary communication protocol, that works with the iW1782 or iW1780H primary-side AC/DC digital controller to enable rapid charging of QC3.0/QC2.0-enabled mobile devices.

The iW636 integrates an optocoupler driver that relays commands to the iW1782 or iW1780H AC/DC controllers. These chipsets provide efficiency as high as 90% to enable the higher power density needed for small form factor fast charging adapters. It also uses Renesas' SmartDefender™ smart hiccup technology to help address soft shorts in cables and connectors.

Qualcomm Quick Charge is a product of Qualcomm Technologies, Inc.

Parameters

AttributesValue
FunctionRapidCharge™ Protocol IC
Supported ProtocolsQC2.0, QC3.0

Package Options

Pkg. TypePkg. Dimensions (mm)Lead Count (#)Pitch (mm)
SOT23-6L0.118 x 0.118 x 0.051260.95

Application Block Diagrams

Multi-Cell USB PD Power Bank with Quick Charge 2.0/3.0 Block Diagram
Multi-Cell USB PD Power Bank with Quick Charge 2.0/3.0
60W+ USB PD power bank offers efficient charging with multi-cell setup and Bluetooth LE monitoring.

Additional Applications

  • Rapid charging AC/DC adapters for smart phones, tablets and other portable devices

Applied Filters: