Skip to main content

Overview

Description

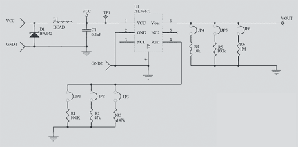
The ISL76671EVAL1Z evaluation board is an RoHS compliant evaluation board prepared to speed up the evaluation of the ISL76671 ambient light sensor. Note that the sensing range for this device is from 0.01 lux to 100 lux typically and the device has been optimized for use with a 100kΩ output scaling resistor (REXT). The device and the evaluation board will work from a 3V supply.

The ISL76671 is a low light optimized analog output sensor. In normal operation, the device is intended to be mounted behind a smoked glass/plastic bezel which normally significantly attenuates received light. The ISL76671 will typically saturate at full scale with an incident illumination of around 150 lux, which is a fair deal lower than normal indoor ambient light conditions (2k to 10k lux).

Features

  • Square root voltage output
  • 0.01 lux to 100 lux range
  • 1.8V to 3V supply range
  • Close to human eye spectral response
  • Fast response time
  • Internal temperature compensation
  • Good IR rejection
  • Low supply current
  • Operating temperature range -40 °C to +105 °C
  • 6 Ld ODFN: 2mm x 2.1mm x 0.7mm
  • Pb-free (RoHS compliant)
  • AEC-Q100 qualified

Applications

Documentation

Design & Development

Software & Tools

Software Downloads

Product Options

Applied Filters:

Support

Support Communities

Support Communities

Get quick technical support online from Renesas Engineering Community technical staff.
Browse Articles

Knowledge Base

Browse our knowledge base for helpful articles, FAQs, and other useful resources.
Submit a Ticket

Submit a Ticket

Need to ask a technical question or share confidential information?