Skip to main content

Features

  • Single 3.3V supply: 3.3V ± 0.3V
  • Access time: 10ns/12ns (max)
  • Completely static memory, no clock or timing strobe required
  • Equal access and cycle times
  • Directly TTL compatible, all inputs and outputs
  • Operating current: 145mA/130mA (max)
  • TTL standby current: 40mA (max)
  • CMOS standby current: 5mA (max): 0.8mA (max) (L-version): 0.5mA (max) (S-version)
  • Data retention current: 0.4mA (max) (L-version): 0.2mA (max) (S-version)
  • Data retention voltage: 2.0V (min) (L-version, S-version)
  • Center VCC and VSS type pinout

Description

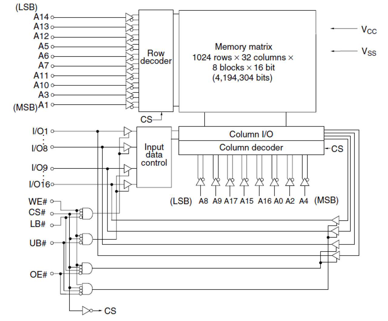
The R1RW0416D is a 4Mbit high-speed static RAM organized 256-kword × 16-bit. It realizes high-speed access time by employing the CMOS process (6-transistor memory cell) and high-speed circuit design technology. It is most appropriate for applications that require high-speed, high-density memory, and a wide bit width configuration, such as cache and buffer memory in systems. Especially, the L version and S version are low-power consumption and are the best for the battery backup systems. The package prepares a 400-mil 44-pin SOJ and 400-mil 44-pin plastic TSOPII for high-density surface mounting.

Parameters

Attributes Value
Density (Kb) 4096
Bus Width (bits) 16
Core Voltage (V) 3.3
Organization 256K x 16
I/O Voltage (V) 3.3 -
Access Time (ns) 10, 12

Package Options

Pkg. Type Pkg. Dimensions (mm) Lead Count (#)
SOJ 28 x 10 x 3.55 44
TSOP(44) 18 x 10 x 1.2 44

Applied Filters: